2023年吉林省松原市乾安县中考物理一模试卷
发布:2025/11/28 16:0:7
一、单项选择题(每题2分,共12分)
-
1.下列行为,符合安全用电原则的是( )
组卷:157引用:3难度:0.9 -
2.筷子发源于中国,是华夏饮食文化的标志之一,如图,使用筷子时虽然费力但省距离,下列工具在使用中也能省距离的是( )组卷:15引用:1难度:0.5 -
3.《舌尖上的中国Ⅱ》的热播,引起了人们对饮食文化的关注。四川的腊肉、香肠受到人们的青睐,火锅更是以麻、辣、鲜、香吸引着众多食客,以下说法正确的是( )
组卷:707引用:80难度:0.9 -
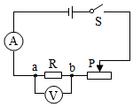
4.如图,在做“探究电流与电阻的关系”的实验中,当把a、b间的电阻由10Ω更换为15Ω后,接下来实验操作应该是( )组卷:1166引用:5难度:0.5 -
5.2019年6月6日,南宁轨道交通3号线全线开通试运营,持有南宁市民卡的乘客将市民卡近检验口,机器感应电路中就会产生电流,使站口打开,乘客就可以进站或出站。图中与此过程原理相同的是( )
组卷:23引用:1难度:0.7 -
6.2020年1月26日篮球巨星科比布莱恩特在卡拉巴萨斯因直升机事故丧生终年41岁。如图所示,是科比在比赛中的镜头。关于此情景,下列说法中正确的是( )组卷:54引用:1难度:0.6
二、填空题(每空1分,共18分)
-
7.如图所示,电源电压为3V,R1和R2均为定值电阻,闭合开关S,电压表指针明显偏转,电流表几乎无示数,如果只有R1或R2中的一处发生故障,则该电路中的故障为 。若将电压表并联在R2两端,电压表的示数为 V。组卷:213引用:2难度:0.8 -
8.随着生活水平的不断提升,各种智能家居进入寻常百姓家。比如声控灯、声控密码锁、面部指纹密码锁等:当我们声音的达到一定程度灯就会自动打开,声控密码锁,自动识别主人的声音来开锁,因为不同人声音的是不同的。
组卷:105引用:4难度:0.9 -
9.两个站在水平冰面上静止不动的滑冰者,当一个人用手推另外一个人时,两人将滑行;如下图所示,当人用手推另一艘小船时,他所乘坐的小船也将,这些现象都说明。
组卷:42引用:5难度:0.9 -
10.从功和能关系看,电流做功的过程,实质是电能转化为
能的过程。电流通过“电炉”、“电热得快”等电器时,电能转化为能。组卷:33引用:1难度:0.7 -
11.2014年11月29日,在从江县銮里民族风情园举办着首届端杰杯芦笙大赛,来自从江、三都、黎平的71支芦笙队参加比赛,热热闹闹欢度一年一度的侗族大歌节,吸引了上万中外游客。如图所示,小明在电视机旁同样观看现场的比赛,广播电视是利用 来传递信息的。在现场的观众能看到表演者的腰带是红色,是因为红色腰带能反射 光。组卷:121引用:35难度:0.9 -
12.汽化的两种方式是 和 ,加油站都有这样的提示语:“禁止抽烟”、“请熄火”“请不要使用手机”等,其目的是为了防止火花点燃汽油引起火灾。因为常温下汽油容易 。
组卷:81引用:4难度:0.7 -
13.身高170cm的小明站在竖直放置的平面镜前5米处,当他正对平面镜以1m/s的速度靠近平面镜时,他在镜中像的高度将 (选填“大于”“小于”或“等于”)170cm,2s后小明到平面镜中像的距离是 m。
组卷:28引用:1难度:0.6 -
14.如图所示,大明利用滑轮组将重为900N的木箱以0.2m/s的速度吊到10m高处,每个滑轮重100N.不计绳重及轮、轴间摩擦,此过程中,他施加于绳端的拉力为N,拉动绳端的速度为m/s,绳端拉力做功的功率为W,滑轮组的机械效率为%。组卷:93引用:2难度:0.5
三、计算题(每题5分,共10分)
-
15.一个桥头立着限重标志牌,如图所示。这座桥面受到的压力超过多少时,就可能发生危险?请通过计算进行说明。(g取10N/kg)组卷:50引用:1难度:0.6 -
16.物理学中常用磁感线来形象地描述磁场,用磁感应强度(用字母B表示)来描述磁场的强弱,它的国际单位是特斯拉(符号是T),磁感应强度B越大表明磁场越强;B=0表明没有磁场。有一种电阻,它的大小随磁场强弱的变化而变化,这种电阻叫做磁敏电阻,图1所示是某磁敏电阻R的阻值随磁感应强度B变化的图象。为了研究某磁敏电阻R的性质,小刚设计了如图2所示的电路进行实验,请解答下列问题:

【进行实验】
(1)闭合S1和S2,移动两个滑动变阻器的滑片,当电流表示数为0.04A时,电压表的示数为6V,由图象可得,此时该磁敏电阻所在位置的磁感应强度为 T。
【分析与结论】
(2)实验中小刚将电路中电源的正负极对调,发现乙电路中电压表和电流表的示数不变,这表明:该磁敏电阻的阻值与磁场的 无关。
(3)闭合S1和S2,R2滑片固定不动,将R1的滑片向右滑动,则电压表示数 (填“变大”“变小”或“不变”)。组卷:7引用:0难度:0.6
四、简答题(每题2分,共6分)
-
17.易拉罐装的饮料都有禁止加热或0摄氏度以下冷冻的说明。请你结合所学知识简要说明这两种说明的原因。
组卷:47引用:2难度:0.8 -
18.中国标准动车组“复兴号”的速度可达350km/h。比普通列车的速度大很多。如图是动车组进站时的情景。
请回答:
(1)铁轨为什么要铺在枕木上?
(2)动车组进站时机械能的大小是怎样变化的?
(3)当列车驶过时,人必须站在安全线外候车,如果让你设计,动车组站台上的安全线到站台边缘的距离与普通列车站台上的安全线到站台边缘的距离相比,应大一些还是小一些?组卷:148引用:3难度:0.5 -
19.如图为一名滑雪运动员正在滑雪比赛,根据图中展现的情景,提出两个与物理学知识有关的问题,并针对所提出的问题作出简答。
提问:雪橇底部是光滑的吗?
简答:为了减小摩擦,雪橇底部应是光滑的,有利于运动员滑得更快。
(1)提问:
简答:
(2)提问:
简答:。组卷:55引用:5难度:0.5
五、作图、实验与探究题(每图2分,每空1分,共24分)
-
20.如图中一束光线AO从空气斜射到水面,请画出入射光线AO的反射光线及折射光线的大致方向。组卷:65引用:46难度:0.7 -
21.(1)如图所示,学校楼梯拐角的墙上装有平面镜,既方便同学们整理仪容,晚上又能利用光的反射对楼道进行照明。请在图中准确画出灯S发出的光经平面镜反射后到达A点的光路图。
(2)在图中标出磁感应线的方向和小磁针的磁极。
组卷:31引用:2难度:0.5 -
22.如图所示,物体静止在斜面上,请画出物体所受到的重力G,摩擦力f和物体对斜面的压力F的示意图。组卷:320引用:26难度:0.6 -
23.利用如图甲的装置探究水沸腾时温度变化的特点。

(1)医用水银体温计的量程是 。
(2)按照实验规范要求,调整铁圈B,确定其高度时,(选填“需要”或“不需要”)点燃酒精灯。
(3)实验中某时刻温度计的示数如图甲所示,此时水温是 ℃。
(4)图乙为某小组绘制的温度-时间图象,分析图象可知水沸腾时温度变化的特点是:。
(5)小丽观察到沸腾前和沸腾时水中气泡上升过程中的两种情况,如图2(a)、(b)所示,则图 (选填“a”或“b”)是水沸腾时的情况。烧瓶中的水沸腾后,停止对水加热,水停止沸腾,这说明 。
(6)小华和小杰虽然选用的实验装置相同,但加热到水开始沸腾的时间不同,他们绘制的水的温度随时间变化图象如图3所示,a、b两种图象不同的原因是水的 不同。组卷:23引用:1难度:0.5 -
24.测定“小灯泡电功率”的实验中,电源电压为3V,小灯泡额定电压为2.5V、额定功率小于1W。

(1)请你用笔画线代替导线,将图甲中的实物电路连接完整。
(2)闭合开关前,滑动变阻器滑片P应位于 (选填“A”或“B”)端。
(3)小叶闭合开关后,发现两表示数都很小,灯泡不亮,其原因是。
(4)小叶同学移动滑片P到某一点时,电压表示数(如图乙所示)为 V,若她想测量小灯泡的额定功率,应将图甲中滑片P向 (选填“A”或“B”)端移动,使电压表的示数为2.5V。
(5)小叶同学移动滑片P,记下多组对应的电压表和电流表的示数,并绘制成图丙所示的I-U图像,根据图像信息,可计算出小灯泡的额定功率为 W。
(6)细心的小叶发现通过灯泡的电流跟它两端的电压不成正比,其原因是 。组卷:106引用:3难度:0.5 -
25.某实验小组用一焦距未知的凸透镜来探究“凸透镜成像规律”实验,他们先将凸透镜正对太阳光,在另一侧移动光屏,距离凸透镜15cm处,光屏上接收到一个最小、最亮的光斑,然后他们进行了以下操作:

(1)如图所示,此时烛焰到凸透镜的距离u=cm,在光屏的上会得到一个清晰的 、
、像;此时像成在了光屏的上方,为了让像呈现在光屏的中央,应该将蜡烛向 (选填“上”或“下”)移动;
(2)移动蜡烛至30.0cm刻度线处,为了在光屏上得到清晰的像,需 (选填“向左”或“向右”)移动光屏,与此成像原理类似的光学仪器有 (选填“照相机”、“投影仪”或“放大镜”)。组卷:4引用:1难度:0.6 -
26.小强在“测量小车的平均速度”的实验中,他已经从实验室借到的实验器材有:小车一辆、秒表一块、长木板一块、金属片一块。
(1)该实验是根据公式 进行速度计算的。
(2)他为了完成该实验,还需要的测量型器材有 。
(3)为了方便计时,应该使斜面的坡度 (选填“较大”或“较小”)。
(4)经测量,s1=0.9m,s2=0.4m,小车从斜面顶端由静止下滑的过程中,秒表记录如图所示,则小车在s3上的平均速度是 m/s。
(5)根据实验数据可知,以下能说明小车在斜面上运动情况的图象是 。
组卷:24引用:1难度:0.7 -
27.小明想比较两种液体的密度大小,于是问老师借来了一个能正常使用的压强计,如图甲,实验情景如图乙和图丙所示。

(1)图乙、丙是同一压强计的探头放入不同液体中时的情景,哪个图中探头的橡皮膜形变程度更大?(选填“乙”或“丙”或“无法比较”);
(2)小明据图乙和图丙作出判断:“图乙杯中液体的密度小于图丙杯中液体的密度”,他的判断正确吗?(选填“正确”或“不正确”),若正确,请写出判断的依据,若不正确,请写出改进实验的措施 。组卷:68引用:3难度:0.8

