2023年福建省莆田市中考物理质检试卷
发布:2025/7/25 10:0:9
第Ⅰ卷选择题一、选择题:本题有14小题,每小题2分,共28分。在每小题给出的四个选项中,只有一项是符合题目要求的。
-
1.下列哪种情形不能够运用“气体流速与压强关系”进行解释( )
组卷:26引用:1难度:0.9 -
2.在如图所示的实验装置中,玻璃球内的导线是分开的,小磁针处于静止状态。当用酒精灯把玻璃球加热到红炽状态时,发现小磁针发生了偏转,以下说法不正确的是( )组卷:12引用:1难度:0.7 -
3.如图所示的装置中,物体B和动滑轮总重10N,且恰好匀速下降。则A物体受到的摩擦力的方向和大小为( )组卷:219引用:2难度:0.7 -
4.丰富的安全知识是生命健康的重要保障,如若被困火灾现场,建筑物内受困人员应捂鼻、弯腰迅速撤离火场,这是因为燃烧产生的有毒有害气体与空气相比( )
组卷:30引用:2难度:0.6 -
5.橡胶棒跟毛皮摩擦后,橡胶棒带负电,是由于( )
组卷:33引用:1难度:0.9 -
6.如图所示,小明在学习光学知识之后,自己动手做小孔成像实验,下列关于小孔成像说法中正确的是( )组卷:176引用:2难度:0.8 -
7.如图甲所示的电路中,R1是定值电阻,电流表量程为0~0.6A,图乙是电阻箱R2的电功率与其电阻大小变化关系的部分图像,则下列说法正确的是( )
组卷:27引用:1难度:0.5 -
8.如图所示电路中,电源电压保持不变,闭合开关S,滑动变阻器滑片向左移动时,下列判断正确的是( )组卷:6引用:2难度:0.5 -
9.关于分子和物体内能,下列说法正确的是( )
组卷:39引用:5难度:0.7 -
10.为迎接2022年北京冬季奥运会,国家滑雪运动队积极训练。如图所示,某运动员沿斜坡滑下,获得一定速度后进入水平赛道做匀速直线运动,然后从水平赛道末端飞出,飞行一段时间后落到斜坡上,不计空气阻力,关于运动员的说法正确的是( )组卷:134引用:5难度:0.8 -
11.如图所示的事例中,改变物体内能的方式与其它三项不同的是( )
组卷:51引用:1难度:0.8 -
12.关于牛顿第一定律的理解,下列说法正确的是( )
组卷:235引用:8难度:0.7 -
13.洗衣机、空调、电冰箱等家用电器都使用三脚插头、三孔插座,插座中有一个孔是用来接地的。若在你家中这个孔没有接地,将会发生的现象是( )组卷:457引用:14难度:0.9 -
14.司机能够分辨出手机导航语音中某位著名相声演员的声音,是根据声音的( )
组卷:29引用:1难度:0.8
第Ⅱ卷非选择题二、填空题:本题有6小题,每空1分,共12分。
-
15.飞机翅膀做成下平上凸形状,飞行时飞机翅膀上部空气流速快、压强 (选填“大”或“小”),使飞机获得升力;飞机轮胎表面有凹凸不平的花纹,有利于着陆减速时 (选填“增大”或“减小”)摩擦;飞机在高空飞行过程中与空气 (选填“摩擦”或“接触”)起电使飞机带上电荷。
组卷:15引用:1难度:0.8 -
16.电视机的遥控器能发射一种不可见光,即 ,以实现对电视的控制;它还具有显著 效应。对于流入市场的假币,人们常借助验钞机发出的 来辨别真伪.
组卷:211引用:5难度:0.8 -
17.利用电功普遍适用的公式W=和欧姆定律I=
及其变形式U=IR可推导出仅适用于纯电阻性用电器或电路(即将电能全部转化为内能的用电器或电路)的电功公式W=和W=。UR组卷:54引用:0难度:0.8 -
18.如图是一个便携式可折叠镜子,它由三个小平面镜组成。用手提起顶端的把手,小平面镜能在 力的作用下自动向下展开。小霞距离平面镜0.5m,她在镜中的像与她相距 m,当她靠近平面镜时,她在镜中的像大小 (填“变大”或“不变”)。组卷:435引用:1难度:0.7 -
19.2023年春节,襄阳市华侨城、关圣古镇燃放烟花,现场人们闻到很浓的硝烟味道属于 现象。热机工作时常用水降温,这是利用了水的 大的特性。
组卷:330引用:6难度:0.5 -
20.如图所示,电源为两节新的干电池,闭合开关S,电压表的示数为2.5V,则流过灯泡L1与L2的电流之比为 ,灯泡L1与L2的电阻之比为 。组卷:136引用:1难度:0.5
三、作图题:本题有1小题,共4分。
-
21.在图中,根据通电螺线管的N极,标出磁感线的方向及电源的正极。组卷:91引用:7难度:0.7
四、简答题:本题有1小题,共4分。
-
22.把图钉按在铅笔一端,手按住铅笔让图钉帽在粗糙的纸板上来回摩擦,图钉帽的温度有何变化?试解释这一现象。
组卷:23引用:1难度:0.6
五、实验题:本题有6小题,共30分。
-
23.小莉同学用焦距为10cm的凸透镜做“探究凸透镜成像的规律”实验:

(1)实验过程中,当蜡烛与凸透镜的距离如图甲所示时,在光屏上可得到一个清晰的倒立、的实像,若保持蜡烛和光屏位置不变,移动透镜至 cm刻度线处,光屏上能再次呈现清晰的像。
(2)如图乙所示,保持蜡烛位置不变,移动透镜至16cm刻度线处,则人眼在 (填“A、B、C”)处能观察到蜡烛的像,像是如图丙中的 (填“1、2、3、4”)。
(3)实验完成之后,小莉把自己的近视眼镜放在蜡烛与凸透镜之间,光屏上原来清晰的像变得模糊了,若想在光屏上重新得到清晰的像,在不改变蜡烛和凸透镜位置的情况下,应将光屏 凸透镜。(填“靠近”或“远离”)组卷:660引用:6难度:0.5 -
24.在探究影响滑动摩擦力大小的因素时,小红设计了如图所示的三次实验。

(1)实验时,用弹簧测力计水平拉动木块,使它沿长木板做 运动,根据 知识,从而测出木块与长木板之间的滑动摩擦力;
(2)在甲图所示的实验中,弹簧测力计的示数为 N;
(3)比较 两次实验,可以得出结论:当压力大小一定时,接触面越粗糙,滑动摩擦力越大;
(4)比较甲、乙两次实验,可以得出结论:。
(5)由该实验小红得出班级拔河比赛获胜有不少诀窍,就是要设法增大队员与地面的摩擦,所以选择参赛队员应选择体重 (填“较重”或“较轻”)的同学,同时全体队员应穿鞋底较 (填“粗糙”或“光滑”)的鞋子。组卷:4引用:1难度:0.5 -
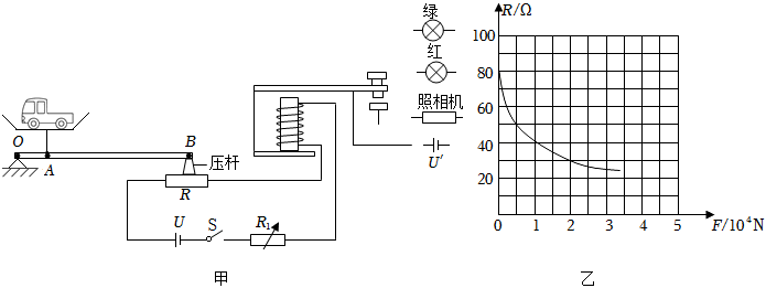
25.车辆超载是造成公路桥梁损坏的重要原因,因此限制车辆超载有着重要意义。
某物理兴趣小组设计了一个“汽车超载记录器”原理图,如图甲。图中使用了一个水平杠杆OAB,O为支点,OA:AB=1:9。R为压敏电阻,其所受压力与电阻的关系如图乙所示。已知变阻器R1规格为“50Ω 2A”,电磁继电器线圈电阻忽略不计,当通过线圈的电流达到0.1A时,电磁继电器的衔铁被吸下。
(1)检测时,杠杆A点受到压力与压杆对压敏电阻压力之比为 。
(2)将图甲连接完整。要求:未超载,绿灯亮:超载,红灯亮,拍照,记录违法行为,红灯与相机需独立工作。
(3)在某路段限重20t。当车辆刚好达20t时,压敏电阻阻值为 Ω,计算可知此时控制电路电压U的取值范围是 。
(4)若给控制电路提供了恒为5V的电压,其他条件不变的情况下,则该报警器能设置的最低限载是 t。
(5)某些主干道抗压能力较好,允许通行质量更大车辆,需适当调高限载,下列措施可行的是 。(多选)
A.适当增大R1阻值
B.减小电磁铁线圈匝数
C.适当减小控制电路电源电压
D.B点左移组卷:258引用:1难度:0.4 -
26.在学完密度知识后小强在实验室发现一捆金属丝。小强想知道它们的材质,于是找来托盘天平和量筒。托盘天平铭牌如图甲所示,砝码盒内有100g、50g、10g、5g的砝码各一个、20g的砝码两个。

(1)这架托盘天平,允许测量的最大质量为 。
A.210g
B.205g
C.200g
D.无法确定
(2)小强将天平放在水平桌面上,把游码移至标尺左端 处,发现指针在分度盘中线的右侧,他将平衡螺母向 调节,直至天平横梁平衡。
(3)小强用刻度尺截取了12cm长的金属丝放在左盘,向右盘添加砝码,最后移动游码使天平再次平衡。砝码游码示数如图丙所示,金属丝质量为 g。
(4)在量筒中注入32mL水,将金属丝折叠浸没在水中,液面如图丁,金属丝体积为 cm3,计算出金属丝的密度为 kg/m3。
(5)后来小强得知这捆金属丝的规格是2.2g/cm,只借助刻度尺和量筒测量的数据也计算出了金属丝的密度,请你写出小强的计算过程。组卷:52引用:2难度:0.6 -
27.小明在做“用电压表、电流表测电阻”的实验,电源电压保持不变,所用滑动变阻器上标有“10Ω 1A”字样,实验时小明按照如图甲正确连接电路。

(1)伏安法测电阻的原理是。
(2)连接电路,闭合开关S后,电流表出现如图乙所示现象,出现这一现象的原因是:。
(3)排除故障正确连接电路后,闭合开关电压表示数为2.3V,向左移动滑动变阻器的滑片P一段距离,在这过程中发现电流表示数变化范围为0.22A~0.44A,则电源电压为V。
(4)另一名同学在测量另一个电阻时电流表和电压表的示数如图丙、丁所示,则电流为A,电阻两端的电压为V,电阻为Ω。组卷:19引用:1难度:0.3 -
28.在“探究水沸腾时温度变化的特点”的实验中。

(1)实验装置如图甲所示,在组装时应先确定 (选填“铁夹”或“铁圈”)的位置。
(2)实验时当水温达到90℃时,每隔1min记录温度计示数,8min时观察到水中气泡上升时的变化情况如图丙、丁所示,其中 (选填“丙”或“丁”)图表示水正在沸腾时水中气泡上升的情形。水沸腾一段时间后停止读数,并将实验数据记录在表中。请你在图乙中画出水温随时间变化关系的图象。
(3)分析实验现象和数据可知,水的沸点是 。时间t/min 0 1 2 3 4 5 6 7 8 9 10 温度T/℃ 90 93 95 96 97 98 99 99 99 99 99
(4)评估实验过程,实验所用的时间太长,请你提出一条缩短实验时间的有效措施:。(合理即可)组卷:44引用:3难度:0.6
六、计算题:本题有3小题,共22分。
-
29.将一未装满水密闭的矿泉水瓶,先正立放置在水平桌面上,再倒立放置,如图所示,瓶盖的面积是8×10-4m2,瓶底的面积是2.4×10-3m2,瓶重和厚度均忽略不计。已知水的密度ρ水=1.0×103kg/m3。求:
(1)正立放置时水对瓶底的压强;
(2)矿泉水瓶内水的重力;
(3)倒立放置时矿泉水瓶对桌面的压力与压强。组卷:151引用:1难度:0.6 -
30.小明骑车在某段平直的水平路面上由静止开始运动,共用时12s,小明重450N,轮子与地面的总接触面积是20cm2,图甲是速度v随时间t变化的关系图像,图乙是动力F随时间t变化的关系图像。则
(1)自行车在第7~12s内受的阻力f=N,运动的路程s=m。
(2)若他在骑车行驶时,对地的压强为3.3×105Pa,自行车重 N。
(3)若在0~12s内动力共做功1530J,计算自行车在0~7s内的平均功率。组卷:32引用:3难度:0.5 -
31.如图甲所示的某品牌暖风机,它有吹冷风和吹热风两个挡位,下表是它的部分参数,图乙是简化电路图。请计算:
(1)电热丝R的电阻值是多少?
(2)若用此暖风机将房间里30m3、15℃的空气加热到26℃,空气吸收多少焦耳的热量?[空气比热容为1×103J/(kg•℃),空气密度约为1.3kg/m3]
(3)若把30m3、15℃的空气加热到26℃需要工作7min时间,则此暖风机的加热效率?(计算结果保留百分数整数)
额定电压 220V 热风功率 1200W 冷风功率 100W 组卷:239引用:3难度:0.3

