2019-2020学年江西省赣州市于都二中高二(上)第三次月考物理试卷
发布:2025/7/30 23:0:20
一、选择题:(本题共10小题.每小题4分,共40分.在每小题给出的四个选项中,第1~6题只有一项符合题目要求,第7~10题有多项符合题目要求.全部选对的得4分,选对但不全的得2分.有选错的得0分.)
-
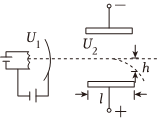
1.如图是一个说明示波管工作的原理图,电子经加速电场(加速电压为U1)加速后垂直进入偏转电场,离开偏转电场时偏转量是h,两平行板间的距离为d,电压为U2,板长为l,每单位电压引起的偏移,叫做示波管的灵敏度,为了提高灵敏度,可采用下列哪些方法( )hU2组卷:75引用:24难度:0.7 -
2.下列物理量与试探电荷有关的是( )
组卷:75引用:2难度:0.8 -
3.飞船正面面积S=1m2,以v=2×103m/s飞入一宇宙微尘区,此区域每立方米空间有一个微尘,微尘的平均质量
,设微尘与飞船相碰后附在飞船表面,要使飞船速度不变,飞船的推力应该增加的是( )m0=2×10-4kg组卷:270引用:3难度:0.6 -
4.一个电源电动势为30V,内电阻不计,与一个“6V 12W”的电灯、一个绕线电阻为2Ω的电动机M串联接入电路.已知电路中电灯正常发光,则电动机输出的机械功率( )
组卷:22引用:2难度:0.9 -
5.1746年,富兰克林提出正、负电的概念,正负电荷可互相抵消.他还认为:摩擦是使电从一个物体转移到另一个上,电不会因摩擦而创生--这就是“电荷守恒定律”.富兰克林提出存在正、负两种电荷,但物体通常呈电中性,这是因为( )
组卷:98引用:10难度:0.9 -
6.一小球静止落下,落到水平桌面后反弹,碰撞过程时间不计且有能量损失。若以出发点为坐标原点,竖直向下为正方向,忽略空气阻力,则小球的动量p随位置坐标x的关系图像正确的是( )
组卷:201引用:2难度:0.4 -
7.如图所示,电源电动势E=6V,小灯泡L的规格为“3V 0.9W”,开关S接1,当滑动变阻器调到R=8Ω时,小灯泡L正常发光,现将开关S接2,小灯泡L和电动机M均正常工作,已知电动机的线圈电阻R0=2Ω。则( )组卷:93引用:6难度:0.5 -
8.如图所示,A、B为两个等量同种点电荷,a、O、b在点电荷A、B的连线上,c、O、d在连线的中垂线上Oa=Ob=Oc=Od,则( )组卷:134引用:4难度:0.5 -
9.如图所示,半径为R、圆心为O的光滑绝缘半圆形轨道固定,直径AB的两端分别固定着电荷量Q1=8Q,Q2=Q的正点电荷,C、D是圆轨道上的两点,其中OC⊥AB,D点没画出。将电荷量为q(q>0)的小圆环套在轨道上,从C点由静止释放,运动到D点时动能最大。已知取无穷远处电势为零时,在电荷量为+q'的点电荷的电场中,与点电荷相距r处的电势为(k为静电力常量),电场中任意一点的电势等于各点电荷单独存在时在该点产生电势的代数和。不计小圆环的重力和空气阻力,下列判断正确的是( )φ=kq′r组卷:33引用:1难度:0.4 -
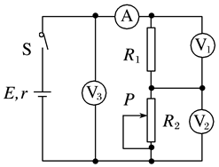
10.在如图所示电路中,闭合开关S,当滑动变阻器的滑片P向下滑动时,各电表的示数分别用I、U1、U2和U3表示,电表示数变化量的大小分别用ΔI、ΔU1、ΔU2和ΔU3表示。下列说法正确的是( )组卷:215引用:6难度:0.6
二、实验题(每空3分,共24分)
-
11.如图是验证动量守恒定律的装置,气垫导轨上安装了l、2两个光电门,两滑块上均固定一相同的竖直遮光条。

(1)实验前,接通气源后,在导轨上轻放一个滑块,轻推一下滑块,使其从轨道左端向右运动,发现滑块通过光电门1的时间大于通过光电门2的时间。为使导轨水平,可调节P使轨道左端 (选填“升高”或“降低”)一些。
(2)测出滑块A和遮光条的总质量为m1,滑块B和遮光条的总质量为m2。将滑块A静置于两光电门之间,滑块B静置于光电门2右侧。推动B,使其获得水平向左的速度,经过光电门2并与A发生碰撞且被弹回,再次经过光电门2,先后记录的挡光时间为Δt1、Δt2,光电门1记录的挡光时间为Δt3。则实验中两滑块的质量应满足m1m2(选填“>”、“<”或“=”),实验需要验证的动量守恒表达式为 (用题中给定的符号表示)。组卷:5引用:3难度:0.5 -
12.某同学要测量一均匀新材料制成的圆柱体的电阻率ρ,步骤如下:
(1)用游标为20分度的卡尺测量其长度如图甲,由图可知其长度为mm;用螺旋测微器测量其直径如图乙,由图可知其直径为mm;用多用电表的电阻“×10”挡,按正确的操作步骤测此圆柱体的电阻,表盘的示数如图丙,则该电阻的阻值约为Ω。
(2)该同学想用伏安法更精确地测量其电阻R,现有的器材及其代号和规格如下:
A.待测圆柱体电阻R
B.电流表A1,(量程0~4mA,内阻约为50Ω)
C.电流表A2,(量程0~10mA,内阻约为30Ω)
D.电压表V1,(量程0~3V,内阻约为10kΩ)
E.电压表V2,(量程0~15V,内阻约为25kΩ)
F.滑动变阻器R1(阻值范围0~15Ω,允许通过的最大电流2.0A)
G.滑动变阻器R2(阻值范围0~2kΩ,允许通过的最大电流0.5A)
H.直流电源E(电动势4V,内阻不计)
I.开关S、导线若干
为使实验误差较小,要求便于调节且测得多组数据进行分析,试在给出的方框中画出实验电路图,并在图上标出所选用的电流表、电压表及滑动变阻器的符号。
组卷:14引用:2难度:0.5
三、计算题(要求:写出必要的文字说明、方程式和重要演算步骤,只写出最后答案的不能得分,有数值计算的题目,答案中必须明确写出数值和单位;6分+8分+10分+12分=36分).
-
13.如图,质量m=0.04kg的带正电小球A套在光滑的竖直绝缘细杆上,杆底端固定一个与小球A电荷量相等的小球B,整个装置处在真空中。小球A从离底端h=0.3m的位置由静止释放后沿杆下滑,刚释放时加速度大小a=g。已知静电力常量k=9.0×109N•m2•C-2,取重力加速度g=10m/s2。求:34
(1)小球A所带的电荷量Q:
(2)小球A速度最大时与B的距离H。
(3)已知小球的最大速度为m/s,求(2)下降H过程中库仑力所做的功W。62组卷:198引用:2难度:0.7 -
14.如图所示,把质量为2g的带负电小球A用绝缘细绳悬挂,若将带电荷量为4×10-6C的带电小球B靠近A,当两个带电小球在同一高度相距30cm时,则绳与竖直方向成45°角,g=10m/s2,k=9.0×109Nm2/c2.求:
(1)A球带电荷量是多少。
(2)若改变小球B的位置,仍可使A球静止在原来的位置,且A、B间的库仑力最小,最小库仑力为多少?组卷:185引用:5难度:0.5 -
15.如图所示,MN、PQ为光滑绝缘水平面内相距的两平行边界线,边界线之间存在着匀强电场,电场平行于水平面且垂直于边界,方向水平向右。可视为质点的带电小球A、B质量均为m,用长度L的绝缘轻杆相连,电量分别为+q和-2q(q>0)。开始时A球紧邻MN,轻杆和边界线垂直。现静止释放两小球并开始计时,t0时刻B小球恰好进入电场,此后的整个运动过程中小球带电量始终保持不变。求:74L
(1)电场强度E及B球进入电场时的速度;
(2)A球运动过程中距离MN的最大间距;
(3)A球经过PQ时的时刻表达式。组卷:40引用:1难度:0.5 -
16.如图,ABD为竖直平面内的绝缘轨道,其中AB段是长为s=1.25的粗糙水平面,其动摩擦因数为µ=0.1,BD段为半径R=0.2m的光滑半圆,两段轨道相切于B点,整个轨道处在竖直向下的匀强电场中,场强大小E=5.0×103V/m。一带负电小球以速度v0沿水平轨道向右运动,接着进入半圆轨道后,恰能通过最高点D点。已知小球的质量为m=2.0×10-2kg,所带电荷量q=2.0×10-5C,g=10m/s2.(水平轨道足够长,小球可视为质点,整个运动过程无电荷转移)
(1)小球能通过轨道最高点D时的速度大小;
(2)带电小球在从D点飞出后,首次落到水平轨道上时的位移大小;
(3)小球的初速度v0。组卷:1192引用:9难度:0.1

