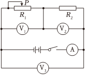
在如图所示的电路中,电源电动势为E,内电阻为r,各电表都看作理想表.闭合开关,滑动变阻器滑片P向右移动,若以ΔU1、ΔU2、ΔU3、ΔI分别表示电压表V1、V2、V3和电流表A的示数变化的大小,则下述结论正确的是( )
【考点】电路动态分析.
【答案】A;C
【解答】
【点评】
声明:本试题解析著作权属菁优网所有,未经书面同意,不得复制发布。
发布:2024/4/20 14:35:0组卷:54引用:8难度:0.7
相似题
-
1.如图所示为酒精测试仪的原理图,驾驶员呼出酒精气体,酒精气体传感器的电阻就发生变化,仪表上就显示相应的数据.已知酒精气体传感器电阻r′的倒数与酒精气体的浓度c成正比,电压表示数U与酒精气体浓度c之间的对应关系是( )发布:2024/12/29 19:30:1组卷:9引用:3难度:0.9 -
2.如图所示的电路中,电源的电动势E和内电阻r恒定不变,电灯L恰能正常发光,如果变阻器的滑片向b端滑动,则( )发布:2024/12/29 19:30:1组卷:16引用:2难度:0.9 -
3.在如图所示电路中,闭合电键S,当滑动变阻器的滑动触头P向下滑动时,四个理想电表的示数都发生变化,电表的示数分别用I、U1、U2和U3表示,电表示数变化量的大小分别用ΔI、ΔU1、ΔU2和ΔU3表示。下列比值正确的是( )发布:2024/12/29 18:30:2组卷:52引用:3难度:0.7

