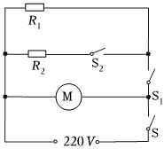
如图甲是某品牌家用电吹风,其电路如图所示,R1、R2为电阻丝,M为电动机。通过调节开关,可使电吹风分别处于“停止”“冷风”“暖风”或“热风”四种状态。已知该电吹风的额定电压为220V,吹冷风时电吹风额定功率是110W,R1=110Ω,R2=55Ω,吹热风时电吹风额定功率是1430W,求:
(1)要使电吹风处于“暖风”状态,应闭合开关 S、S1S、S1;
(2)该电吹风吹冷风时通过电动机的额定电流;
(3)该电吹风吹暖风时的额定功率。
(4)在额定电压下吹热风300s,两电阻丝共产生热量多少J;
【答案】S、S1
【解答】
【点评】
声明:本试题解析著作权属菁优网所有,未经书面同意,不得复制发布。
发布:2024/4/23 12:26:7组卷:37引用:1难度:0.5
相似题
-
1.如图所示,电源电压恒为4V,定值电阻R1=40Ω,R2=20Ω,则开关闭合后,电流表的示数是 A,通电5min,电路产生的热量是 J。发布:2026/1/31 1:30:1组卷:162引用:6难度:0.7 -
2.两根阻值分别为R1=60Ω和R2=90Ω的电热丝,将它们串联后接在家庭电路上,经过25min产生热量Q.如果将这两根电热丝改为并联,仍接在家庭电路上,两电热丝并联后的总电阻R=
Ω,经过min可产生同样的热量Q。发布:2026/1/30 22:30:1组卷:88引用:5难度:0.7 -
3.电炉丝断了,去掉
后,仍然接在原来的电源两端,则在相同时间内产生的热量与原来产生的热量之比为( )15发布:2026/1/30 18:0:1组卷:1852引用:38难度:0.9
相关试卷

