某同学要测量一个由均匀新材料制成的圆柱体的电阻率ρ.步骤如下:
(1)游标卡尺测量其长度如图1所示,可知其长度为 50.1550.15mm;
(2)用螺旋测微器测量其直径如图2所示,可知其直径为 4.6994.699mm;

(3)选用多用电表的电阻“×1”挡,按正确的操作步骤测此圆柱体的电阻,表盘的示数如图3所示,则该电阻的阻值约为 77Ω;
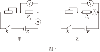
(4)为更精确地测量其电阻,可供选择的器材如下:
待测金属丝Rx;
电压表:V(量程3V,内阻约3kΩ);
电流表:A1(量程0.6A,内阻约0.2Ω);A2(量程3A,内阻约0.05Ω);
电源:E(电动势3V,内阻不计)
滑动变阻器:R(最大阻值约20Ω)
(5)为使测量尽量精确,电流表应选 A1A1(“A1”或“A2”),电路应选用图4中的 甲甲(“甲”或“乙”)。

【考点】导体电阻率的测量.
【答案】50.15;4.699;7;A1;甲
【解答】
【点评】
声明:本试题解析著作权属菁优网所有,未经书面同意,不得复制发布。
发布:2024/4/20 14:35:0组卷:23引用:5难度:0.7
相似题
-
1.某同学为测定电阻丝的电阻率ρ,设计了如图甲所示的电路,电路中ab是一段电阻率较大、粗细均匀的电阻丝,保护电阻R0=4.0Ω,电源电动势E=3.0V,电流表内阻忽略不计,滑片P与电阻丝始终接触良好.

(1)实验中用螺旋测微器测得电阻丝的直径如图乙所示,其示数为d=mm.
(2)实验时闭合开关,调节滑片P的位置,分别测量出每次实验中aP长度x及对应的电流值I,实验数据如表所示:
根据表中的数据,在图丙的坐标纸上作出x/m 0.10 0.20 0.30 0.40 0.50 0.60 I/A 0.49 0.43 0.38 0.33 0.31 0.28 /A-11I2.04 2.33 2.63 3.03 3.23 3.57 -x图象,并由图线求出电阻丝的电阻率ρ=Ω•m(保留两位有效数字)。1I
(3)根据-x关系图线纵轴截距的物理意义,可求得电源的内阻为r=Ω(保留两位有效数字).1I
(4)若电流表内阻不可忽略,则电流表的内阻对测量电阻丝的电阻率(选填“有”或“无”)影响,根据-x关系图线纵轴截距的物理意义可求得的是。1I发布:2024/12/29 20:30:1组卷:167引用:3难度:0.5 -
2.某小组测某种圆柱形材料的电阻率,做了如下实验。
(1)已知该圆柱形材料的长度为5.235cm横截面直径为2cm,该小组先用多用电表粗略测量圆柱材料的电阻R,将选择开关旋至“×10kΩ”挡,红表笔和黑表笔直接接触,调节 旋钮,使指针指向“0Ω”;再将红表笔和黑表笔与圆柱材料两端圆形电极接触,表盘示数如图甲所示,则圆柱材料电阻的阻值为 kΩ。
(2)该小组想用伏安法更精确地测量圆柱材料的电阻R,可选用的器材如下:
A.电流表A1(量程4mA,内阻约50Ω)
B.电流表A2(量程20μA,内阻约1.5kΩ)
C.电压表V1(量程3V内阻约10kΩ)
D.电压表V2(量程15V,内阻约25kΩ)
E.电源E(电动势4V,有一定内阻)
F.滑动变阻器R1(阻值范围0~15Ω,允许通过的最大电流2.0A)
G.开关S,导线若干
为使实验误差较小,要求电压可以从零开始调节,电流表选择 ,电压表选择 (以上两空均选填仪器前面的序号)
(3)请用笔画线表示导线,在图乙中完成测量圆柱材料电阻的实验电路连接。
(4)实验过程中,实验小组移动滑动变阻器的滑片,并记录两电表的多组测量数据,在坐标纸上描点、连线作出如图丙所示的U-I图象,则实验测得圆柱材料的电阻率ρ=Ω•m(计算结果保留2位有效数字)发布:2024/12/20 0:30:1组卷:193引用:5难度:0.5 -
3.某同学要粗测一个由均匀新材料制成的圆柱体的电阻率ρ.步骤如下:

(1)用20分度的游标卡尺测量其长度如图甲所示,可知其长度L为mm;
(2)用螺旋测微器测量其直径如图乙所示,可知其直径d为mm;
(3)用多用电表的电阻“×10”挡,按正确的操作步骤测此圆柱体的电阻,表盘的示数如图丙,则该电阻的阻值R约为Ω;
(4)则测量的电阻率ρ=(用测量的物理量符号表示)发布:2024/12/29 16:30:1组卷:116引用:4难度:0.7

