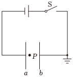
如图所示,开关S先接通再断开后将b板向右移,关于两板间的电场强度E及P点的电势φ的变化,以下说法正确的是( )
【答案】C
【解答】
【点评】
声明:本试题解析著作权属菁优网所有,未经书面同意,不得复制发布。
发布:2024/4/20 14:35:0组卷:81引用:2难度:0.5
相似题
-
1.如图所示,平行板电容器的两极板A、B接于电池两极,一带正电的小球悬挂在电容器内部,闭合S,给电容器充电,这时悬线偏离竖直方向的夹角为θ,则下列说法正确的是( )发布:2024/12/29 21:0:4组卷:264引用:7难度:0.3 -
2.如图所示电路中,A、B是构成平行板电容器的两金属极板,P为其中的一个定点.将开关S闭合,电路稳定后将A板向上平移一小段距离,则下列说法正确的是( )发布:2024/12/29 20:30:1组卷:819引用:12难度:0.9 -
3.如图所示,水平放置的平行金属板与电源相连,板间有一质量为m的带电微粒,开关S处于闭合状态,微粒恰好处于静止状态。进行下列操作,微粒还能保持静止吗?如果不能,它将怎样运动?
(1)保持开关一直闭合,保持两极板水平并拉大它们之间的距离;
(2)(选做)先断开开关,再保持两极板水平并拉大它们之间的距离。
发布:2024/12/29 19:30:1组卷:10引用:3难度:0.7

