菁于教,优于学
旗下产品
校本题库
菁优备课
开放平台
菁优测评
菁优公式
小优同学
菁优App
数字备考
充值服务
试卷征集
申请校本题库
智能组卷
免费试用
错题库
免费试用
五大核心功能
组卷功能
资源共享
在线作业
在线测评
试卷加工
游客模式
登录
试题
试题
试卷
课件
试卷征集
加入会员
操作视频
初中物理
小学
数学
语文
英语
奥数
科学
道德与法治
初中
数学
物理
化学
生物
地理
语文
英语
道德与法治
科学
信息技术
高中
数学
物理
化学
生物
地理
语文
英语
信息
通用
中职
数学
语文
英语
推荐
章节挑题
知识点挑题
智能挑题
收藏挑题
试卷中心
汇编专辑
细目表组卷
组卷圈
当前位置:
2021-2022学年福建省福州市仓山区时代中学九年级(上)期末物理试卷
>
试题详情
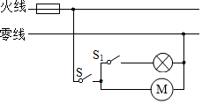
如图,家庭电路中额定电压均为220V的电风扇M和电灯,在只闭合开关S,风扇工作;只闭合开关S
1
,灯泡和风扇都不工作;开关S、S
1
都闭合,风扇和灯泡都工作。请用笔画线代替导线把电路连接完整。
【考点】
家庭电路的连线作图
.
【答案】
【解答】
【点评】
声明:本试题解析著作权属菁优网所有,未经书面同意,不得复制发布。
当前模式为游客模式,
立即登录
查看试卷全部内容及下载
发布:2025/9/26 4:0:1
组卷:1099
引用:13
难度:0.7
相似题
1.
如图所示,有一个接线开关控制一只螺丝口白炽灯,请将它们合理地接入电路。
发布:2024/8/9 8:0:9
组卷:17
引用:4
难度:0.6
解析
2.
如图,请根据安全用电的原则,将三孔插座、保险丝、灯泡、开关正确连入到家庭电路中。
发布:2024/8/9 8:0:9
组卷:136
引用:3
难度:0.8
解析
3.
请将图中的开关、电灯、保险丝、插座、三孔插座接入电路(其中插座准备接大功率用电器、三孔插座准备接洗衣机),使其符合安全用电的原则。
发布:2024/9/6 1:0:8
组卷:27
引用:3
难度:0.6
解析
相关试卷
2021-2022学年福建省福州市仓山区时代中学九年级(上)期末物理试卷
试卷征集
商务合作
服务条款
走进菁优
课件征集
帮助中心
兼职招聘
意见反馈
深圳市菁优智慧教育股份有限公司
粤ICP备10006842号
公网安备44030502001846号
©2010-2026 jyeoo.com 版权所有
深圳市市场监管
主体身份认证
APP开发者:深圳市菁优智慧教育股份有限公司
|
应用名称:菁优网
|
应用版本:5.2.5
|
隐私协议
|
第三方SDK
|
用户服务条款
广播电视节目制作经营许可证
|
出版物经营许可证
|
网站地图
本网部分资源来源于会员上传,除本网组织的资源外,版权归原作者所有,如有侵犯版权,请立刻和本网联系并提供证据,本网将在三个工作日内改正