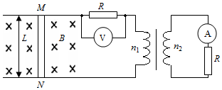
如图所示,变压器原、副线圈的匝数分别为n1=200、n2=100,原线圈与水平放置的间距L=1m的光滑金属导轨相连,导轨处于竖直向下、磁感应强度大小为B=1T的匀强磁场中,副线圈接阻值R=10Ω的电阻,原线圈串联一阻值也为R的电阻,与导轨接触良好且始终垂直,导轨的阻值r=5Ω、质量m=0.01kg的导体棒在外力F的作用下运动,其速度随时间变化的关系式为v=112sin10πt m/s,已知导轨电阻和变压器的能量损耗均不计,导轨足够长,导体棒运动过程中不会与其他用电器相碰,电表均为理想电表,则( )
2
【答案】C;D
【解答】
【点评】
声明:本试题解析著作权属菁优网所有,未经书面同意,不得复制发布。
发布:2024/4/20 14:35:0组卷:119引用:7难度:0.5
相似题
-
1.半径为R的金属圆环水平固定,电阻忽略不计。圆环内存在与环面垂直的匀强磁场,磁感应强度为B。导体棒长为L(L>2R),其单位长度电阻值为r。图(a)中导体棒与圆环相切于O1点,t=0时刻起,从图示位置以速度v匀速向右运动,棒始终与速度方向垂直。图(b)中导体棒与圆环相切于O2点,t=0时刻起,以O2点为轴从图示位置起在水平面内顺时针匀速转过180°,角速度为ω;导体棒扫过整个环面时与环接触良好。

(1)分析说明图(a)中导体棒扫过整个环面过程中流过导体棒的电流变化情况;
(2)求图(b)中导体棒两端产生的感应电动势E与时间t的关系式;
(3)若图(a)、图(b)中导体棒扫过整个环面所用时间相同,试比较两种情况中导体棒运动到虚线(圆环上直径位置)处,流过两导体棒的感应电流大小。发布:2024/12/30 1:0:6组卷:99引用:2难度:0.7 -
2.如图甲所示,在水平面上有一竖直向下的足够宽的矩形匀强磁场区域,磁感应强度B0=0.2T,区域长度L=3m,在紧靠磁场的左边界处的水平面上放置一正方形线框,匝数n=10,边长a=1m,线框电阻R=1Ω,质量m=1kg。现在线框上作用一水平恒力F,使线框从静止开始向右进入磁场中,已知恒力F的大小为10N,线框与水平面间的动摩擦因数μ=0.2,整个线框完全进入磁场前已经匀速运动,g=10m/s2。当线框刚全部进入磁场开始计时,磁场即以如图乙所示规律变化。下列说法正确的是( )
发布:2024/12/29 23:30:1组卷:155引用:3难度:0.5 -
3.如图,空间某区域内存在沿水平方向的匀强磁场,一正方形闭合金属线框自磁场上方某处释放后穿过磁场,整个过程线框平面始终竖直,线框边长小于磁场区域上下宽度。以线框刚进入磁场时为计时起点,下列描述线框所受安培力F随时间t变化关系的图中,不正确的是( )发布:2024/12/29 20:30:1组卷:234引用:3难度:0.7

