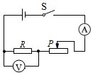
某同学利用图示的器材探究电流与电阻的关系。实验中电源电压为6V,选用的定值电阻的阻值分别为5Ω、10Ω、15Ω、20Ω、25Ω和30Ω,滑动变阻器的规格为“50Ω 0.5A”。

(1)该同学根据电路图连接了实物图甲,他接错了一根导线,请你在这根导线上打“×”,并补画出正确的那根导线;
(2)该同学先用10Ω的定值电阻进行实验,闭合开关后,移动滑动变阻器的滑片,此时电流表的示数如图乙所示,此时电流表的示数为 0.30.3A。记下电阻的阻值和对应的电流值:接着他断开开关,将10Ω的定值电阻换成15Ω的定值电阻,闭合开关,此时电流表的示数 小于0.3A大于0.2A小于0.3A大于0.2A(填“大于0.3A”、“等于0.3A”、“小于0.3A大于0.2A”或“等于0.2A”),移动滑片直至电压表示数与上一次相同,记下电阻的阻值和对应的电流值,接着他用其它的电阻继续完成实验。实验数据记录在如下的表格中。其中有一组数据很明显不符合实际,它是第 33次实验数据;
| 实验次数 | 1 | 2 | 3 | 4 | 5 | 6 |
| R/Ω | 10 | 15 | 5 | 20 | 25 | 30 |
| I/A | 0.6 | 0.15 | 0.12 | 0.10 |
2.25
2.25
V。【考点】探究电流与电阻的关系.
【答案】0.3;小于0.3A大于0.2A;3;2.25
【解答】
【点评】
声明:本试题解析著作权属菁优网所有,未经书面同意,不得复制发布。
发布:2024/5/16 8:0:9组卷:126引用:3难度:0.4
相似题
-
1.如图是小王同学“探究电流与电阻的关系”的实验电路。已知电源电压恒为4.5V,滑动变阻器的规格为“20Ω 1A”,电压表的示数控制在2V不变。下列说法正确的是( )发布:2025/10/14 11:0:1组卷:361引用:9难度:0.7 -
2.在探究“电流与电阻的关系”实验中,小明按照如图甲所示的电路图,正确连接了实物电路,所用定值电阻的阻值分别为5Ω、10Ω、15Ω、20Ω和30Ω并依据实验数据绘出了如图乙、丙所示的图像:

(1)由图乙中的图像可以看出:在 一定的情况下,通过导体的电流与导体的 成正比;
(2)此实验 (选填“能”或“不能”)由小灯泡代替定值电阻;
(3)由图像丙中的数据分析可知,控制a、b两点的电压为3V且保持不变:
①分别接入10Ω和30Ω的定值电阻,电路中的电流之比为 。
②在a、b两点间接入阻值为 Ω的电阻时,滑动变阻器的电功率最大。发布:2025/10/14 7:30:1组卷:368引用:2难度:0.5 -
3.如图所示,是探究电流与电阻的关系实验电路图,电源电压保持6V不变,滑动变阻器的规格是“20Ω 0.5A”。实验中,先在a、b两点间接入10Ω的电阻,闭合开关S,移动滑动变阻器的滑片P,使电压表的示数为4V,读出并记录下此时电流表的示数。接着需要更换a、b间的电阻再进行两次实验,为了保证实验的进行,应选择下列的哪两个电阻( )发布:2025/10/14 8:0:1组卷:645引用:4难度:0.5

