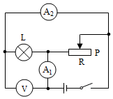
如图所示的电路,闭合开关后,下列说法正确的是( )

【考点】动态电路中电功率的变化;动态电路的分析.
【答案】C
【解答】
【点评】
声明:本试题解析著作权属菁优网所有,未经书面同意,不得复制发布。
发布:2026/1/28 6:30:2组卷:278引用:6难度:0.7
相似题
-
1.如图甲所示是烟雾报警装置的电路图。R0为定值电阻,R为光敏电阻,它的阻值随光照强度变化情况如图乙所示(lx为光照强度单位),当电流表示数减小至某一数值时装置报警。开关S闭合后,下列说法正确的是( )发布:2024/11/24 18:0:3组卷:360引用:5难度:0.6 -
2.如图所示电路中,电源电压保持不变,闭合开关,当滑动变阻器的滑片P向左滑动时,下列说法中正确的是( )发布:2024/10/19 18:0:1组卷:206引用:3难度:0.7 -
3.如图所示电路中,电源电压保持不变,闭合开关S后,将滑动变阻器R2的滑片P向左移动,在此过程中( )发布:2024/10/16 13:0:2组卷:367引用:3难度:0.7

