如图1是小宇家的用电器和电路布线图:
(1)小宇发现洗手间的灯泡不亮了,而灯泡没坏。于是他闭合开关,用测电笔分别测试a、b⋯⋯f各点,发现测试a、b、c三点时试电笔发光,而测试d、e、f时不发光。这说明 cdcd两点间发生了 断路断路。于是他很快修好了该电路。
(2)夏天的某个夜晚,小宇洗完衣服正在用洗衣机脱水,三个“220V60W”的灯泡和其他的用电器都在正常工作,这时通过保险丝的电流约是 3.13.1A。
如表是小宇家正在使用的家用电器的铭牌:
电风扇
| 规格 /mm |
风量/ (m3•min-1) |
电源 /V |
噪声 /dB |
功率/W |
| 400 | 60 | 220 | 67 | 66 |
| 容量/kg | 功率/W | 电源 /V |
外型 | ||
| 洗 | 脱 | 洗 | 脱 | ||
| 3.6 | 3 | 300 | 136 | 220 | 875mm×770mm ×445mm |
| 显像管 /cm |
电源 /V |
功率 /W |
尺寸 | 质量 /kg |
| 74 | 220 | 180 | 761mm×552mm ×600mm |
47 |
| 总容量 /L |
冷冻室 容积/L |
电源 /V |
功率/W | 质量/kg |
| 80 | 32 | 220 | 120 | 38 |
42.3
42.3
元。图3是去年一年小宇家耗电情况的图象,可知 8
8
月份用电最多。【答案】cd;断路;3.1;42.3;8
【解答】
【点评】
声明:本试题解析著作权属菁优网所有,未经书面同意,不得复制发布。
发布:2024/12/24 7:0:1组卷:43引用:3难度:0.5
相似题
-
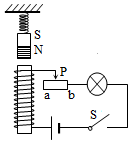
1.如图所示,电源电压不变,在电磁铁正上方用弹簧挂着一条形磁铁,当开关S闭合后,在滑片P从b端向a端滑动过程中,会出现的现象是小灯泡亮度(选填“增强”或“减弱”),弹簧长度(选填“变长”或“缩短”)。发布:2025/10/14 11:0:1组卷:329引用:9难度:0.9 -
2.为了减少拥堵和污染,电动自行车在现代社会应用非常广泛,如图甲所示。

(1)如乙是某品牌电动自行车的部分技术参数,从物理学的角度看,表中有一个物理量的名称与单位不一致,请你指出错误为:改正为 。结构或构件名称 结构或构件采取的有效措施 达到的目的 尾灯 能使入射光平行反向射回,增强反射效果,清除安全隐患 车座 设计制成马鞍状
(2)电动自行车运用了许多物理知识,观察如图甲所示电动自行车的结构图,填写表格。
(3)若电动自行车的效率为80%,一个质量80kg的成年人骑车匀速行驶过程中所受阻力为总重的0.06倍,求车以4m/s的速度在平直公路上匀速行驶时的工作电流。(g取10N/kg)发布:2025/10/13 21:30:2组卷:8引用:1难度:0.6 -
3.周末小强看到妈妈在用洗衣机洗衣服,突然想到老师布置的探究家用电器学习活动,他就想为什么不探究一下洗衣机的工作原理和流程呢?于是他找到了家里洗衣机的说明书,了解洗衣机的各项参数如下表一所示,然后查看了标准情况下各程序的工作时间如表二所示,洗衣机正常运行标准程序的具体工作过程为:洗涤-脱水-喷淋漂洗-脱水-蓄水漂洗-脱水(喷淋漂洗、蓄水漂洗的功率与洗涤功率相同),则下列说法正确的是( )
表一:
表二:洗衣机工作参数 外型尺寸 520mm×530mm×907mm 额定脱水功率 220W 额定电压 220V 额定洗涤水量 48L 额定洗涤功率 300W 标准程序默认的工作时间 程序 洗涤时间 喷淋漂洗时间 蓄水漂洗时间 每次脱水 标准 8分钟 5分钟 5分钟 5分钟 发布:2025/10/14 1:30:2组卷:71引用:2难度:0.7

