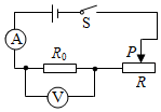
某同学做电学实验时,电路图如图所示。已知他所用电流表量程为0~0.6A,电压表量程为0~3V,电源电压6V保持不变,滑动变阻器的最大阻值为50Ω,定值电阻R0为10Ω,S闭合后,在实验操作无误的情况下,忽略温度对电阻的影响。则下列说法中,正确的是( )
【答案】A
【解答】
【点评】
声明:本试题解析著作权属菁优网所有,未经书面同意,不得复制发布。
发布:2026/1/31 1:0:5组卷:87引用:2难度:0.5
相似题
-
1.在如图所示的四个电路中,电源两端电压保持不变,若定值电阻R的阻值已知,则在不拆卸元件的情况下能够测出待测电阻Rx阻值的电路是( )
发布:2026/1/31 1:30:1组卷:1969引用:22难度:0.5 -
2.有三只规格分别为“100Ω,4W”、“100Ω,16W”、“100Ω,9W”的电阻,将它们串联使用后电路两端允许所加的最大电压为U,将它们并联使用后干路中允许通过的最大电流为I,则( )
发布:2026/1/31 3:0:2组卷:100引用:1难度:0.7 -
3.如图所示,A、B间电压一定,当滑片P向左移动到另一位置时,通过R1、R2的电流变化量的大小分别为ΔI1、ΔI2,电压变化量的大小分别为ΔU1、ΔU2,则( )发布:2026/1/31 3:0:2组卷:3038引用:6难度:0.5

