试卷征集
加入会员
操作视频

某油量表的工作原理如图所示,当油箱内油面上升时,浮球向上运动,使滑动变阻器R接入电路中的电阻变
,由电流表改造的油量表示数变

【考点】欧姆定律的应用
【答案】小;大
【解答】
【点评】
声明:本试题解析著作权属菁优网所有,未经书面同意,不得复制发布。
发布:2024/4/20 14:35:0组卷:130引用:20难度:0.7
相似题
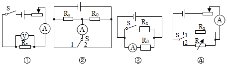
  • 1.图示电路中(R0阻值和滑动变阻器规格已知,表示电阻箱,电源电压恒定),能测出Rx阻值的是(  )

    发布:2025/10/3 9:30:2组卷:523引用:3难度:0.5
  • 2.如图所示,甲、乙为完全相同的电表。开关S闭合,甲、乙两表为电压表时,两表指针偏转角度相同,则R1:R2=
    ;开关S断开,甲、乙两表为电流表时,两表的读数之比I:I=

    发布:2025/10/3 10:0:1组卷:43引用:1难度:0.5
  • 3.如图甲所示的电路中,小灯泡两端电压与通过的电流关系如图乙所示,闭合开关,小灯泡发光,变阻器滑片从如图所示位置往右滑一段距离的过程中,变阻器连入电路阻值的变化量大小为ΔR1,小灯泡阻值的变化量大小为ΔR2,则这两个量的大小关系是(  )

    发布:2025/10/3 10:0:1组卷:212引用:4难度:0.7
深圳市菁优智慧教育股份有限公司
粤ICP备10006842号公网安备44030502001846号
©2010-2025 jyeoo.com 版权所有
APP开发者:深圳市菁优智慧教育股份有限公司| 应用名称:菁优网 | 应用版本:5.2.0 |隐私协议|第三方SDK|用户服务条款
广播电视节目制作经营许可证|出版物经营许可证|网站地图
本网部分资源来源于会员上传,除本网组织的资源外,版权归原作者所有,如有侵犯版权,请立刻和本网联系并提供证据,本网将在三个工作日内改正