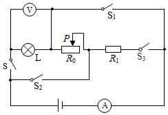
如图所示,电源电压和灯泡电阻不变,灯L标有“2.5V 1.25W”字样,定值电阻R1,滑动变阻器R0标有“?Ω 1A”字样,电流表量程为0~3A。当闭合开关S、S3,断开S1、S2,滑动变阻器滑片P在最右端时,R1的功率为P1,当滑动变阻器滑片P移动到某一位置时,R0连入的电阻减小了9Ω,灯泡恰好正常发光,R1的功率为P2,P1:P2=16:25,滑动变阻器最大阻值是R1的3倍。求:
(1)灯泡正常发光时的电流为 0.50.5A。
(2)电源电压为 1818V。
(3)在保证电路安全的情况下,电路消耗的最大功率是 50.450.4W。
【答案】0.5;18;50.4
【解答】
【点评】
声明:本试题解析著作权属菁优网所有,未经书面同意,不得复制发布。
发布:2025/9/26 2:30:2组卷:321引用:1难度:0.2
相似题
-
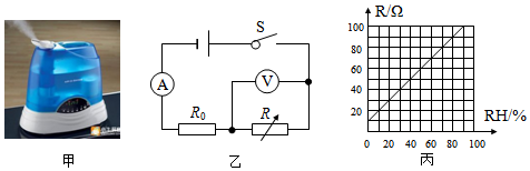
1.图甲所示为一个超声波加湿器,图乙为其内部湿度监测装置的简化电路图。已知电源电压为12V,定值电阻R0的阻值为30Ω,电流表的量程为0~200mA,电压表的量程为0~9V。湿敏电阻R的阻值随湿度RH变化的关系图象如图丙所示,其阻值最大为120Ω(图中未画出)。

(1)在电路安全工作的前提下,R0的最小功率是多少?
(2)此电路能检测的最大湿度是多少?发布:2026/1/21 8:0:1组卷:61引用:1难度:0.4 -
2.如图所示是通过电阻A、B的电流与其两端电压的关系图象,分析图象可知RARB(填“>”、“=”或“<”)。若将电阻A和B串联后接在电压为6V的电源两端,则电阻A和B消耗的电功率之比PA:PB=。发布:2026/1/21 9:30:1组卷:339引用:4难度:0.7 -
3.电热膜是一种新型的电热器件,如图1所示是一种常见的电热膜。电热膜是在绝缘的聚酯薄膜表面,经过特殊工艺加工形成的一条条薄的导电墨线,导电墨线两端与金属导线相连,形成网状结构,其内部结构如图2所示。
电热膜通电工作时没有发红、炽热现象产生,所以电热膜本身温度并不太高,不易氧化,使用寿命长。在制造电热膜时,会出现不同区域导电墨线厚度不均匀的现象。导电墨线电阻随温度变化的关系如图3所示,这种温度特性的优点是,它不会因厚度不均匀而出现严重发热不均、局部过热的现象,这是电热丝所不具备的,它保证了电热膜各处的温度均匀。
(1)电热膜取暖器工作时,室内空气温度升高是通过方式增加空气内能的;
(2)如图2所示电热膜电路,导电墨线的连接方式是联,正常工作时金属导线中A、B处电流分别为IA和IB,则IAIB(填“<”、“=”或“>”)。
(3)某根导电墨线的局部导电材料脱落,如图4C部分,这根导电墨线的电阻(选填“变大”、“变小”或“不变”)
(4)电热膜不会因厚度不均而出现局部过热的现象,原因是电热丝电阻随温度的升高而,温度高时发热功率。(选填“增大”、“减小”或“不变”)发布:2026/1/21 9:0:1组卷:1089引用:14难度:0.5

