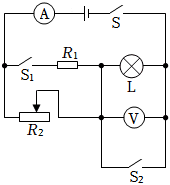
如图所示的电路中,电源电压恒定为4.5V,灯泡L上标有“2.5V 1.25W”字样(灯丝电阻不变),定值电阻R1阻值为15Ω,滑动变阻器R2的规格为“20Ω 1A”,电流表量程为0-0.6A,电压表量程为0-3V,求:
(1)小灯泡L的电阻;
(2)闭合开关S、断开开关S1、S2,电流表示数为0.3A,此时滑动变阻器R2连入电路的阻值;
(3)闭合开关S、S1、S2,滑动变阻器的滑片滑至最右端,通电1min定值电阻R1产生的热量;
(4)闭合开关S、S1、S2,在确保电路各元件安全的情况下,滑动变阻器R2的最大功率。
【答案】(1)小灯泡L的电阻为5Ω;
(2)闭合开关S、断开开关S1、S2,电流表示数为0.3A,此时滑动变阻器R2连入电路的阻值为10Ω;
(3)闭合开关S、S1、S2,滑动变阻器的滑片滑至最右端,通电1min定值电阻R1产生的热量为81J;
(4)闭合开关S、S1、S2,在确保电路各元件安全的情况下,滑动变阻器R2的最大功率为1.35W。
(2)闭合开关S、断开开关S1、S2,电流表示数为0.3A,此时滑动变阻器R2连入电路的阻值为10Ω;
(3)闭合开关S、S1、S2,滑动变阻器的滑片滑至最右端,通电1min定值电阻R1产生的热量为81J;
(4)闭合开关S、S1、S2,在确保电路各元件安全的情况下,滑动变阻器R2的最大功率为1.35W。
【解答】
【点评】
声明:本试题解析著作权属菁优网所有,未经书面同意,不得复制发布。
发布:2024/6/27 10:35:59组卷:1018引用:12难度:0.5
相似题
-
1.图甲为某款新型电饭煲,额定电压为220V,它采用了“聪明火”技术,智能化地控制不同时间段的烹饪温度,以得到食物最佳的营养和口感。图乙为其电路原理图,R1和R2为电阻不变的电热丝,S1是自动控制开关。将电饭煲接入220V电路中,在电饭煲工作的30min内,它消耗的电功率随时间的变化如图丙所示。求
(1)5~10min,电饭煲的功率;
(2)20~30min,电饭煲产生的总热量。
发布:2024/11/15 8:0:2组卷:713引用:7难度:0.3 -
2.如图为远距离输电示意图,I为输电电流,r为输电线总电阻,U为用户端的电压,则因输电线发热而损耗的电能为(t为通电时间)( )发布:2024/11/5 13:0:3组卷:495引用:8难度:0.8 -
3.某科技兴趣小组用一个88Ω的电阻R1、开关、导线等器材制作了一个电烤箱,先将电烤箱接入电压为220V的家庭电路,简化电路如甲所示,闭合开关,求

(1)通过R1的电流;
(2)R1消耗的电功率;
(3)小组发现烤熟蛋糕耗费时间过长,为解决这个问题,小组找来一个相同规格的电阻R2进行改装。
①你认为应按照图 (选填“乙”或“丙”)进行改装;
②闭合开关S后,通电10min,求改装后电烤箱产生的热量。发布:2024/11/20 10:30:3组卷:1586引用:16难度:0.5

