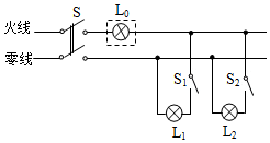
电工师傅在帮某个家庭检修电路故障时,用一盏标有“220V 40W”的完好灯泡L0(检验灯泡)取代保险丝接入电路,如图所示。电工师傅将其它用电器都断开,只保留了L1、L2两个灯泡所在支路,并经过一系列的操作,确定了故障是L2发生了短路。则下列所描述的现象与电工师傅操作时所观察到的现象不相符的是( )
【考点】家庭电路的故障分析.
【答案】A
【解答】
【点评】
声明:本试题解析著作权属菁优网所有,未经书面同意,不得复制发布。
发布:2025/10/12 4:0:1组卷:979引用:10难度:0.7
相似题
-
1.如图所示的家庭电路中,正常发光的两盏灯突然全部熄灭,经检查保险丝完好,用试电笔分别插入插座的两孔,氖管均发光,造成这一现象的原因可能是( )发布:2026/1/30 19:30:1组卷:1193引用:68难度:0.9 -
2.灾后重建,小宇同学家的永久性住房已经建好。在全家搬进去之前,小宇同学准备检查生活用电线路是否有问题,他先断开所有用电器和总开关,然后将火线上的保险丝取下,换上一只额定电压为220V的灯泡,闭合总开关,发现灯泡正常发光。由此判断( )
发布:2026/1/30 22:30:1组卷:310引用:28难度:0.7 -
3.教室里的日光灯、家里的各个家用电器都是联连接的,它们正常工作时的两端电压为V;为了能保证教室内的用电安全,需在线上安装熔丝;如果你家中的用电器突然全部停止工作,经检查发现是空气开关跳闸了,你认为原因可能是(说出一种即可)。
发布:2026/1/30 18:30:1组卷:56引用:4难度:0.5

