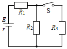
如图,电源电动势E=10V,内阻r=0.8Ω,R1=3.2Ω,当电键S断开时,电阻R2消耗的电功率为4W;电键S闭合后,R2和R3的并联电路消耗的总功率也是4W.则R2=1616Ω,R3=16151615Ω。
16
15
16
15
【考点】闭合电路欧姆定律的内容和表达式;电功和电功率的计算.
【答案】16;
16
15
【解答】
【点评】
声明:本试题解析著作权属菁优网所有,未经书面同意,不得复制发布。
发布:2024/4/20 14:35:0组卷:87引用:2难度:0.7
相似题
-
1.某同学制作了一个可用电流表直接显示拉力大小的拉力器,原理如图。R1是一根长20cm、阻值20Ω的均匀电阻丝,劲度系数为1.0×103N/m的轻弹簧左端固定,右端连接金属滑片P和拉环,拉环不受拉力时,滑片P恰好处于a端。闭合S,在弹簧弹性限度内,对拉环施加水平拉力,使滑片P滑到b端,调节电阻箱R0使电流表恰好满偏。已知电源电动势E=6V,内阻r=1Ω,电流表的量程为0~0.6A,内阻不计,P与R1接触良好且不计摩擦。
(1)电阻箱R0接入电路的阻值为 Ω
(2)电流表的刻度标示为拉力值时,拉力刻度值的分布是 (填“均匀”或“不均匀”)的;
(3)电流表刻度值为0.50A处拉力的示数为 N;
(4)要通过线性图象直观反映电流表示数I与拉力F的关系,可作 图象;
A.I-F B.I-C.1F-F D.1I-1I1F
(5)若电流表的内阻不可忽略,则(4)问中正确选择的图象斜率 (填“变大”“变小”或“不变”)。发布:2024/12/29 19:30:1组卷:239引用:3难度:0.3 -
2.两个电池1和2的电动势E1>E2,它们分别向同一电阻R供电,电阻R消耗的电功率相同.比较供电时电池1和2内部消耗的电功率P1和P2电池的效率η1和η2的大小,则有( )
发布:2024/12/29 20:30:1组卷:286引用:11难度:0.9 -
3.如图所示的电路中,当开关S接a点时,标有“4V,8W”的小灯泡L正常发光,当开关S接b点时,通过电阻R的电流为1A,这时电阻R两端的电压为5V.求:
(1)电阻R的值;
(2)电源的电动势和内阻.发布:2024/12/29 21:0:1组卷:182引用:13难度:0.3

