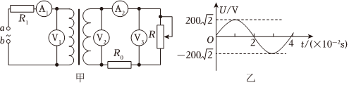
如图甲所示电路中,变压器为理想变压器,电压表和电流表均为理想电表,a、b接如图乙所示电压,R0、R1均为定值电阻,R为滑动变阻器。现将滑动变阻器的滑片向下滑动一小段,观察到电流表A1的示数增大了0.2A,电流表A2的示数增大了0.5A,下列说法正确的是( )

【答案】B;C
【解答】
【点评】
声明:本试题解析著作权属菁优网所有,未经书面同意,不得复制发布。
发布:2024/4/20 14:35:0组卷:45引用:1难度:0.4
相似题
-
1.如图所示,交流发电机通过电阻不计的导线为右侧的电路供电,电压表和电流表均为理想电表,变压器为理想变压器,副线圈两端接有开关S、滑动变阻器R以及两个定值电阻R1、R2。保持线圈ABCD(电阻不计)在磁场中匀速转动,电流表A和电压表V1、V2的示数变化大小分别为ΔI和ΔU1、ΔU2,下列说法正确的是( )
发布:2024/8/23 2:0:1组卷:140引用:2难度:0.5 -
2.如图所示,交流发电机通过电阻不计的导线为右侧的电路供电,电压表和电流表均为理想交流电表,变压器为理想变压器,b是原线圈的中心抽头,副线圈两端接有滑动变阻器R和小灯泡L,电阻不计的金属线圈ABCD在磁场中匀速转动。下列说法正确的是( )
发布:2024/8/27 4:0:8组卷:47引用:2难度:0.5 -
3.如图甲,理想变压器原、副线圈匝数比为22:1,接线柱a、b所接正弦交变电压u随时间t变化规律如图乙所示。变压器副线圈接有一火警报警系统,其中R1为定值电阻,R2为热敏电阻,其电阻随温度升高而增大。下列说法中正确的是( )发布:2024/8/4 8:0:9组卷:188引用:7难度:0.7

