2020-2021学年广西钦州市灵山县九年级(上)期末物理试卷
发布:2025/12/6 16:0:5
一、单项选择题(每小题2分,共32分)每小题只有一个选项是正确的。
-
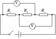
1.如图所示的电路中,电源的电压保持不变。R1=2Ω,R3=10Ω.当电键K闭合后,电压表V1、V2的示数分别为5V和9V.则R2的阻值应为( )组卷:162引用:3难度:0.9 -
2.下图为电阻箱结构示意图,要使连入电路的电阻为7欧姆,应将铜塞插入插孔的( )
组卷:856引用:7难度:0.9 -
3.如右图所示电路,是某同学做实验时,把电流表与电压表的位置接错,当开关S闭合时,会出现( )组卷:100引用:5难度:0.9 -
4.如图所示的四个电路中,闭合开关S后,两灯属于串联的是( )
组卷:68引用:11难度:0.9 -
5.下列关于温度、内能和热量的说法,正确的是( )
组卷:242引用:4难度:0.6 -
6.关于电流做功过程中的能量转化,下列说法中正确的是( )
组卷:44引用:3难度:0.5 -
7.甲、乙、丙三个轻质小球相互靠近时的情景如图所示。若甲球带正电,则下列说法正确的是( )组卷:22引用:3难度:0.6 -
8.如图所示,电源两端电压保持不变,闭合开关S,将滑动变阻器的滑片适当左移,下列说法中正确的是( )组卷:766引用:9难度:0.7 -
9.关于安全用电,下列说法正确的是( )
组卷:24引用:1难度:0.6 -
10.小刚利用电能表测量某家用电器的电功率,当电路中只有这个用电器工作时,测得在15min内消耗电能0.3kW•h,则这个用电器可能是( )
组卷:362引用:15难度:0.7 -
11.小明同学做实验时,连成了如图所示的电路。闭合开关后,发现灯泡L1和灯泡L2都不亮,电压表有示数,产生这一现象的原因可能是( )组卷:163引用:28难度:0.9 -
12.如图所示分别是小明家11月1日和12月1日电能表的示数,结合表盘上的信息可知,下列判断正确的是( )
组卷:980引用:6难度:0.7 -
13.一条形磁体,如从中间断为两截,则两段的磁性是( )
组卷:32引用:1难度:0.8 -
14.如图所示的电路图,电流表测通过L1的电流,其中正确的电路是( )
组卷:179引用:3难度:0.7 -
15.如图是探究流通过导体时产生热量的多少跟什么因素有关的实验装置,两个透明容器中密封着等量的空气,U形管中液面高度的变化反应密闭空气温度的变化,下列说法正确的是( )组卷:683引用:7难度:0.5 -
16.在某次实验抽测过程中,三位同学分别完成如图实验。关于这三组实验,以下分析合理的是( )
组卷:327引用:4难度:0.9
二、填空题(每空1分,共15分)请把答案直接填写在答题卡相应的位置上,不要求写出演算过程。
-
17.把两个电阻R1=6Ω,R2=9Ω,串联后接在某一电源上,R1与R2两端的电压之比为
,R1与R2的电功率之比为;若并联后接在同一电源上,R1与R2两端的电压之比为,R1与R2的电功率之比为。组卷:32引用:7难度:0.7 -
18.夏天的紫外线较强,长时间的阳光照射会造成皮肤受损。某同学利用光敏电阻对光线较敏感的性质,设计了如图所示电路。当户外紫外线增强到设定值时,S2闭合,电动机转动,遮阳棚上防紫外线的遮阳布展开。已知工作电路中电动机的额定功率为55W,控制电路中电源电压为6V,R1为滑动变阻器,R2为光敏电阻,其阻值随光照强度变化如下表所示,线圈电阻忽略不计,当线圈电流超过0.02A时,衔铁会被吸下。
(1)图中电磁铁的上端是 (选填“N”或“S”)极;电动机正常工作时,流过它的电流是多少?光照强度E/lx 1.0 1.5 2.0 2.5 3 …… 5 光敏电阻R2/Ω 150 100 75 60 50 …… 30
(2)当滑动变阻器的阻值为200Ω时,遮阳棚会自动展开,此时设定的光照强度为多少?
(3)若某次设置光照强度为3lx时,遮阳棚自动展开,此时滑动变阻器R1的功率为多少?组卷:16引用:1难度:0.6 -
19.将一个定值电阻接到电压为6V的电路两端时,通过它的电流是0.3A。
(1)求这个定值电阻的阻值大小;
(2)在某个电路中测得通过该定值电阻的电流是0.2A,求它两端的电压大小。组卷:22引用:2难度:0.6 -
20.雷电是大气中一种剧烈的现象;高大建筑的顶端都有针状的金属物,通过很粗的金属线与大地相连,可以起到的作用。
组卷:188引用:5难度:0.7 -
21.如图所示的电路,电源电压恒为3V。闭合开关S,电压表的示数为0.5V,则灯泡L1两端的电压为 V,灯泡L2两端的电压为 V。组卷:29引用:1难度:0.7 -
22.如图所示为某电热水器的原理示意图,发热体分别由R0和R组成,S可分别置于“1”或“2”位置。当S接“2”时,热水器的功率为1000W,则R0的电阻为Ω,通电10min消耗的电能是J。组卷:85引用:2难度:0.7
三、作图与简答题(共8分)请按题目要求在答题卡中作答。
-
23.根据如图所示的实物图,在方框中画出相对应的电路图。
组卷:109引用:2难度:0.5 -
24.为研究并联电池组的电压规律,需测量三个电池并联之后的电压。请按要求在图中用笔画线代替导线连接实物电路。组卷:7引用:2难度:0.7 -
25.在“测量小灯泡的额定功率”实验中,已连接的部分电路如图a所示,图中电源电压恒定,小灯泡上只能看到“3.8V“字样。

(1)请你用笔画线代替导线,将图中的实物电路连接完整。
(2)正确连接实验电路后,开关试触时,发现灯泡不亮,电流表无示数,电压表有示数,其故障原因可能是。
(3)故障排除后开始实验,当变阻器滑片滑到图示位置时,电压表的示数为3.0V,接着应将滑片向滑动,直至灯泡两端电压为额定电压,此时电流表的示数如图b所示。则灯泡的额定功率为W。
(4)实验时某小组学生发现电流表损坏,他们想设计一个不用电流表测定该小灯泡额定功率的实验,于是向老
师要了一个R0的定值电阻(阻值适当),和一个单刀双掷开关(符号为(
),借助原有的实验器材,顺利完成了实验,假如由你来做实验,要求电路只连接一次,请设计实验方案。
①在虚线框内画出实验电路图。
②简述实验步骤。(用相应的字母表示测出得出物理量)
③写出灯泡额定功率的表达式P额=。(用已知量和测量量表示)组卷:655引用:38难度:0.5
四、实验与探究题(25题6分,26、27题各7分,共20分)
-
26.燃油消耗率是衡量汽油机性能的重要指标之一,其含义是:汽油机正常工作时,每输出1kW•h的能量汽油机所消耗汽油的质量,已知某四冲程汽油机的燃油消耗率为250g/kW•h(汽油的热值为q=4.6×107J/kg],试求:
(1)250g汽油完全燃烧放出的热量;
(2)该四冲程汽油机的热机效率。组卷:68引用:6难度:0.5 -
27.济阳区某中学物理兴趣小组探究“电流跟电阻的关系”的实验。他们所用电源电压为6V且保持不变,定值电阻R的阻值分别为10Ω、15Ω、20Ω、25Ω、30Ω,他们先将10Ω定值电阻接入电路,实验过程如下,请你帮他们解决下列问题:

(1)如图甲为实验原理图。请你用笔画线代替导线,将图乙中电路连接完整,要求当滑动变阻器的滑片向左移动时,电路中的电流变大。连接电路时,开关必须 ;
(2)开始进行实验,闭合开关,发现无论怎样移动滑动变阻器的滑片,电流表和电压表均无示数,则电路中出现的故障可能为 ;
A.滑动变阻器开路
B.定值电阻开路
C.定值电阻短路
D.电流表处开路
(3)排除故障后,闭合开关,电流表示数如图丙所示,则此时电流为 ,记下实验数据;
(4)他们继续进行实验,将10Ω的电阻换成15Ω,接下来他们的操作是 ,然后记下实验数据。组卷:109引用:2难度:0.5 -
28.小土和小宅在家庭实验室中做了如图甲所示的实验,在透明塑料瓶上钻一个小孔,把电子式火花发生器的放电针插进孔中,打开瓶盖,在瓶中滴入几滴酒精,再将瓶盖盖好,然后按动火花发生器的按钮。
(1)观察发生的现象?并作出简要解释。
(2)从能量转化方面看,该实验过程与四冲程汽油机的冲程相似。
(3)你认为这个“塑料瓶热机”应该属于热机中的哪一类?说明你的推测理由。
(4)图中甲、乙两个装置都可以通过燃料燃烧,将化学能转化为内能,并利用内能做功。观察图中情景,思考后对这两种热机的效率大小作出评价,并说出你评价的理由。组卷:62引用:9难度:0.5
五、计算应用题(共25分)解答时要求在等题卡相应的试题区城上写出必要的文字说明、计算公式和重要的演算步骤。只写出最后答案,而未写出主要演算过程的,不能得分,答案必须明确写出数值和单位。
-
29.在探究“影响电磁铁磁性强弱的因素”实验中,小明用铁钉制成简易电磁铁甲、乙,并设计了如图所示的电路。
(1)实验中是通过吸引大头针的数量来显示电磁铁磁性的强弱,当滑动变阻器滑片向左移动时,电路中的电流 (填“增大”、“不变”或“减小”),电磁铁吸引大头针的个数增多,说明电流越 ,电磁铁磁性越强。
(2)根据图示的情景可知,电磁铁甲的上端是 极;电磁铁 (填“甲”或“乙”)的磁性较强,说明电流一定时,线圈匝数 ,电磁铁磁性越强;实验发现被电磁铁吸引的大头针下端是分散的,其原因是大头针被磁化,。
(3)实验结束后,小明发现电池使用说明中有一条提示:“请一次性更换所有电池,以免新旧电池混用”。他想新旧电池混用和不混用有什么区别呢?于是,他做了如下探究,他用一节新电池代替图中原来的电源,闭合开关后,用电压表测出电路的总电压,并观察电磁铁吸引大头针的数量,记录在下表中,然后再分别把两个新电池、一新一旧电池串联起来,替换原来的电源,重复上述实验,实验记录如下表所示。
分析表中数据可知,串联的一新一旧电池给电路提供是电压 (填“大于”、“等于”或“小于”)一节新电池提供的电压,原因是:根据串联电路中电源电压等于各部分电路两端的电压之和,用一新一旧电池供电的电路中,废旧电池相当于在以一节新电池为电源的电路中串联了一个 ,所以新旧电池混用,废旧电池会消耗新电池的部分能量。电源 电路的总电压/V 吸引大头针数量 一个新电池 1.5 较多 两个新电池串联 3.0 最多 一新一旧电池串联 1.3 较少 组卷:985引用:35难度:0.5 -
30.如图电路中,电源电压恒为9V,灯泡L规格为“6V 3W”,闭合开关,灯泡正常工作。求:
(1)灯泡正常工作时的电阻。
(2)灯泡工作5分钟消耗的电能及电阻R产生的热量。组卷:21引用:5难度:0.5 -
31.为响应市政府提出的“创建海绵型城市”的号召,科技组设计了如图所示的自动排水装置模型,如图所示。控制电路中电源电压恒定,R0为定值电阻,R为压敏电阻,压敏电阻通过带轻质压板的硬质连杆与重为10N的圆柱形浮体相连;浮体放在与下水道相通的容器内,与容器底接触。压敏电阻的阻值随压力变化的关系如下表。排水系统只监测电流,当电路电流为0.25A时,排水系统启动,排出雨水,确保道路安全,此时浮体刚好浸没。(压板和硬质连杆的质量忽略不计,ρ雨水=1.0×103kg/m3,g=10N/kg)
(1)浮体所处箱内水位与下水道水位相平是利用了 原理。压敏电阻受到的压力F/N 10 30 50 70 90 110 130 … 压敏电阻R阻值/Ω 140 92 60 36 18 10 5 …
(2)当浮体体积的浸在雨水中时,浮体恰好对容器底没有压力。此时浮体受到的浮力为 N。110
(3)当浮体体积的浸在雨水中时,电路电流为0.2A,此时排水系统报警,提示工作人员注意防范,但排水系统不启动。此时浮体的浮力为 N,压敏电阻的阻值为 Ω。45
(4)为了缩短排水时间,希望当浮体体积的浸在雨水中时就启动排水系统,应调节控制电路中定值电阻R0的阻值为多少Ω?(写出必要的文字说明、表达式及最后结果)45组卷:136引用:2难度:0.4
六、附加题(共1小题,满分0分)
-
32.小明往一端封闭的细径玻璃管内先后注入等体积的清水和酒精,标注此时液面的位置。再用手指封住管口,将玻璃管反复颠倒几次,使两者充分混合,请描述出现的现象并用所学知识解释该现象产生的原因。组卷:37引用:3难度:0.8

