2022年江苏省无锡市锡山区天一实验学校中考物理三模试卷
发布:2025/11/28 17:0:8
一、选择题
-
1.如图所示,将重为10N的小球挂在弹簧测力计下,当小球的一半体积浸在水中时,测力计示数为4N。下列说法正确的是( )组卷:104引用:1难度:0.6 -
2.如图甲所示是烟雾报警装置的电路图。R0为定值电阻,R为光敏电阻,它的阻值随光照强度变化情况如图乙所示(lx为光照强度单位),当电流表示数减小至某一数值时装置报警。开关S闭合后,下列说法正确的是( )组卷:350引用:5难度:0.6 -
3.如图所示是荡秋千的简化模型。摆球从A点由静止释放,到达D点后返回,B、C两点等高。下列说法正确的是( )组卷:2341引用:44难度:0.7 -
4.2022年11月30日,我国发射的神舟十五号载人飞船与天和核心舱成功对接,下列有关说法中正确的是( )
组卷:54引用:1难度:0.6 -
5.如图甲所示的电路中,开关闭合后,发现电流表A1、A2的指针指在如图乙所示的同一位置。则下列说法正确的是( )
组卷:237引用:6难度:0.5 -
6.下列关于力和运动的关系的描述中正确的是( )
组卷:220引用:2难度:0.5 -
7.用不锈钢水壶在天然气灶上烧水,在此过程中( )
组卷:7引用:2难度:0.6 -
8.汽车紧急刹车时,轮胎温度急剧升高,内能增大;以下四个事例中改变物体内能的方式与之相同的是( )
组卷:236引用:12难度:0.6 -
9.放映幻灯时,幻灯片到镜头的距离为10cm,屏幕上的到等大清晰的像,如果把幻灯片移到距镜头4cm处,并调整幻灯机到屏幕的距离,则屏幕上将( )
组卷:8引用:1难度:0.8 -
10.将两盏“220V 60W”的白炽灯串联起来接在220V的电路中使用,不计灯丝电阻随温度的变化,则这时两盏的实际总功率是( )
组卷:6引用:1难度:0.6 -
11.如图所示,小秦改变了尺子伸出桌面的长度,用大小相同的力拨动尺子,尺子振动的( )组卷:1222引用:39难度:0.9 -
12.如图所示,电源电压保持不变,R是个定值电阻,R2是滑动变阻器,S2为单刀双掷开关,假设灯泡L的电阻不变,下列说法正确的是( )组卷:58引用:2难度:0.5 -
13.由欧姆定律I=
,可得R=UR,那么下列说法中正确的是( )UI组卷:27引用:4难度:0.9 -
14.图所示的实验装置中,用来探究电磁感应现象的是( )
组卷:285引用:46难度:0.9 -
15.某同学从平面镜前1.5m处走近平面镜,则该同学在平面镜中的像( )
组卷:171引用:11难度:0.9 -
16.下列的估测中,最接近实际的是( )
组卷:48引用:2难度:0.8
二、填空题
-
17.将一个新鲜的鸡蛋分别浸入水和浓盐水中,静止后如图所示,则鸡蛋在两液体中的浮力关系是F甲F乙,若鸡蛋的质量为50g,则鸡蛋在乙杯盐水中所受到的浮力为 N。组卷:688引用:17难度:0.7 -
18.把体积为2.0×10-3m3的物块放入水中,当它静止时浸入水中的体积为1.6×10-3m3,则该物块受到的浮力大小为
N,该物块的密度为kg/m3.(ρ水=1.0×103kg/m3)组卷:801引用:46难度:0.7 -
19.在焦距为5厘米、10厘米或15厘米的凸透镜中选择一个放置于光具座的A点处,如图所示。将蜡烛、光屏分置于光具座上透镜两侧,调整透镜和光屏的中心大致与烛焰的中心在高度。先后两次将蜡烛放置在距B点5厘米处,保持透镜在A点位置不变,移动光屏,可在光屏上得到大小不同的两个像。比较两次所成的像,当蜡烛置于光具座厘米刻度处时,所成的像较大;实验中所用透镜的焦距可能是厘米。组卷:823引用:41难度:0.1 -
20.小明在学校运动会上是仪仗队旗手,如图所示,他竖直举红旗前进时,风对红旗水平向右的阻力为20N,其作用点可以看成在A点。已知AB=1.6m,BC=0.4m,小明的两只手分别位于B、C两点,他用一只手握紧旗杆的C点不让它下滑,用另一只手握住旗杆的B点不让它倾斜。则握在B点的手对旗杆施的最小力为 N,方向 。他举旗沿水平路面匀速前进10m的过程中克服风力做的功为 J。组卷:290引用:1难度:0.3 -
21.如图甲所示是小燃“探究电流与电压、电阻的关系”的实验电路图。选用的实验器材是:电源(3V)、电流表(0~0.6A)、电压表(0~3V),定值电阻R1=5Ω、R2=10Ω、R3=20Ω,滑动变阻器(30Ω 2A)、开关、导线若干。
(1)探究电流与电压关系:
①探究电流与电压的关系时,要保持 不变,采用 的研究方法。
②闭合开关前,应将滑动变阻器滑片P移至阻值最大端,保护电路。实验中滑动变阻器的另一个作用是 (填写字母代号)
A.改变定值电阻两端的电压
B.保证定值电阻两端的电压不变
③小燃选用5Ω和10Ω的两只电阻分别进行实验后,由实验数据画出的图象如图乙所示,其中M图象对应的阻值为 Ω的电阻。
(2)探究电流与电阻的关系:
①小燃在实验中,首先确定一个保持不变的电压值U=1V,当AB间的电阻R由5Ω换成10Ω时,闭合开关,应将滑动变阻器的滑片向 移动(选填“a”或“b”),使电压表示数等于1V。
②当AB间换接20Ω的电阻时,小燃无论怎样移动滑动变阻器的滑片都无法使电压表示数达到1V,你认为的原因可能是 。
A.滑动变阻器的最大值太大
B.滑动变阻器的最大值太小组卷:337引用:3难度:0.5 -
22.如图所示,一个重30N的木块A被压在墙面上静止,压力F的大小为8N,则A受到墙面对它的摩擦力大小为N,方向。组卷:67引用:7难度:0.7 -
23.图甲是小灯泡L和电阻R的电流随电压变化图象,将它们按图乙所示接入电路中,只闭合开关s,小灯泡的实际功率为1W;再闭合开关s1,电流表示数变化了A,此时电路消耗的总功率为W。
组卷:2288引用:91难度:0.7 -
24.如图所示,S′为发光点S在平面镜MN中的像,还有一条反射光线,请在图中找出发光点S的位置,并完成光路。组卷:352引用:6难度:0.5 -
25.在如图中,投出去的篮球在空中飞行,不考虑空气阻力,请在图中画出篮球的受力示意图。组卷:1385引用:24难度:0.5 -
26.玲玲探究“凸透镜成像规律”。
(1)玲玲将蜡烛、焦距为10cm的凸透镜、光屏依次放在光具座上,点燃蜡烛并调整烛焰、凸透镜、光屏三者的中心在同一高度,这样做的目的是 。
(2)玲玲将凸透镜固定在光具座50cm的刻度线处,将蜡烛和光屏移至如图所示的位置时,光屏上出现了烛焰清晰的像,该成像原理在实际中的应用是 (照相机/投影仪/放大镜)。
(3)实验过程中蜡烛由于燃烧而变短,此时只要向 移动凸透镜即可继续做实验。
(4)玲玲将蜡烛移到35cm刻度线处,保持透镜的位置不变,应将光屏移至 cm刻度线处,才能再次在光屏上呈现清晰的像。
(5)若在蜡烛和凸透镜之间合适的位置放一个近视眼镜,为了使光屏上重新呈现清晰的像,光屏应向 (左/右)移动;若不移动光屏,并保持近视眼镜的位置不变,玲玲更换另一个凸透镜,光屏上也得到了清晰的像,那么此凸透镜的焦距应 (大于/小于)10cm。组卷:110引用:2难度:0.5 -
27.如图所示,小明和小华同学做“探究平面镜成像的特点”实验。

①先在水平桌面上铺一张白纸,纸上 (此空选填“水平”或“竖直”)放置一块 作为平面镜,这样做的目的是 。
②实验时,将点燃的蜡烛1放在玻璃板前,把另一个相同的未点燃的蜡烛2放到玻璃板的另一侧,边移动、边观察,使它与蜡烛1的像完全重合,观察时,眼睛应该在图(a)中 处观察(此空选填“A”、“B”、“C”或“D”)。为确定像的虚实,需在 位置放一个光屏(此空选填“蜡烛1”或“蜡烛2”),并在图(a)中的 处观察光屏上是否有像(此空选填“A”、“B”、“C”或“D”)。
③如图(b)所示为小华同学完成的实验记录单。对实验记录单用刻度尺和量角器进行测量后,可以归纳的实验结论是:。(请将能得出的结论书写完整)组卷:57引用:1难度:0.5 -
28.为积极响应“低碳节能”的号召,家庭照明中已广泛使用LED节能灯,有一LED节能灯的额定功率为12W,该功率值表示的物理意义是 。
组卷:6引用:1难度:0.6 -
29.小明想知道酱油的密度,于是他和小华用天平和量筒做了如下的实验:
(1)调节天平平衡后:①测出空烧杯的质量为17g;②在烧杯中倒入适量的酱油,测出烧杯和酱油的总质量为62g;③将烧杯中的酱油全部倒入量筒中,酱油的体积如图所示;④根据密度的计算公式算出酱油的密度。小明用这种方法测出的酱油密度与真实值相比,(选填“偏大”或“偏小”)。
(2)只要把上述步骤①②③④的顺序调整为就可以避免上面问题,减小实验误差。
(3)小华认为不用量筒也能粗略测量出酱油的密度,他进行了如下实验操作:
①调好天平,用天平测出空烧杯质量为m0。
②在烧杯中装满水,用天平测出烧杯和水的总质量为m1。
③把烧杯中的水倒尽,再装满酱油,用天平测出烧杯和酱油的总质量为m2.则酱油的密度表达式ρ=(已知水的密度为ρ水)。组卷:15引用:1难度:0.5 -
30.冬冬和同学们在“探究电流与电阻的关系”的实验过程中:
他们先将R1接入图甲所示的电路中.再依次将定值电阻R2、R3接入a、b间进行实验.每次更换电阻后需将滑片P向(选填“左”或“右”)端移动,以保持a、b两端的电压不变,他们根据测量数据描绘出了图乙所示的图象.分析图象可知:a、b两端的电压为V,当电压一定时,通过导体的电流与导体的电阻成.
组卷:36引用:3难度:0.5 -
31.如图,是用物块A“探究浮力的大小跟哪些因素有关”的实验。

(1)由实验可知:物块浸没在水中时,受到的浮力是 N;
(2)比较实验丙、丁可知:物体受到浮力的大小跟物体浸没在液体中的深度 ;
(3)比较实验丙、戊可知:浸没在液体中的物体受到的浮力的大小跟 有关;该物块的体积为 m3,盐水的密度为 kg/m3;
(4)小旭想探究“物体受到浮力的大小与其形状是否有关”,他用橡皮泥代替铁块进行实验,步骤如下:
步骤一:将橡皮泥捏成“碗”状并放入盛水的烧杯中,橡皮泥漂浮在水面上;
步骤二:把橡皮泥从水中取出捏成团状,放入盛水的烧杯中,橡皮泥沉至杯底。
①橡皮泥步骤一受到的浮力 (选填“大于”“小于”或“等于”)步骤二受到的浮力;
②由此小旭认为:物体受到的浮力与物体形状有关。
其结论错误的原因是:他只关注了橡皮泥形状的改变,而忽略了橡皮泥 对浮力大小的影响。组卷:86引用:3难度:0.4 -
32.如甲图所示,小明同学想做“测量小灯泡的额定电功率”实验。实验器材:电源(电压恒为6V)、小灯泡标有“U额*W”字样。他在实验中发现电压表坏了,于是它增加了一个已知阻值的定值电阻R0和两个开关,设计了如乙图所示的电路,也顺利的测出了灯泡的额定功率。

实验步骤:
①只闭合开关S、,调节滑动变阻器滑片P,使得电流表示数为 (用字母表示),此时灯泡正常发光;
②只闭合开关S、,使滑动变阻器滑片P (填“向左移动”“向右移动”或“保持不动”),记下电流表的读数为I;
③小灯泡额定功率的表达式 (用字母U额、R0、I表示)。组卷:591引用:3难度:0.5 -
33.如图所示,电源电压18V恒定不变,小灯泡L标有“10V,5W”字样,滑动变阻器R标有“120Ω,1A”字样,电压表使用的量程为0~15V,电流表使用的量程为0~0.6A,R0为一定值电阻;当闭合开关S、S1,断开S2时,灯泡L恰好正常发光;忽略温度对灯丝电阻的影响。求:
(1)小灯泡L的电阻是多大?
(2)闭合开关S、S1,断开S2时,通电3min,电流通过定值电阻R0所产生的热量是多少?
(3)当闭合开关S、S2,断开S1时,在保证电表不超量程、灯泡L两端的电压不超额定电压的情况下,滑动变阻器R功率的变化范围是什么?组卷:90引用:2难度:0.3 -
34.观察比较一下“PZ220-15”和“PZ220-100”两种规格的白炽灯泡灯丝的粗细,根据它们额定功率的不同,说说灯丝粗细与额定功率的关系。
组卷:8引用:2难度:0.6 -
35.如图所示的实验,是我们在学习分子热运动时做过的一些实验:
图A:蓝色硫酸铜溶液与无色的清水开始界面十分明显,静放几天之后,两种液体界面逐渐变得模糊不清了;
图B:玻璃板水平接触水面,然后稍稍用力向上拉玻璃板,发现拉力示数大于玻璃板的重力;
图C:将红墨水滴入水中,可以看到它在水中扩散开来;
图D:将两个铅柱底面削平、削干净,然后紧紧地压在一起,两个铅柱就会结合起来,甚至下面吊一个重物都不能把它们拉开。
(1)图A和图 两个实验形成实验现象的原因相同,实验表明:分子在 。
(2)图B和图 两个实验形成实验现象的原因相同,实验表明:分子之间存在 。组卷:185引用:5难度:0.9 -
36.如图所示,电源电压为6V恒定不变。灯泡上标有“6V 4W”的字样。当S2闭合,S1、S3断开时,灯泡的实际功率为0.25W(灯泡灯丝电阻不受温度影响)。求:
(1)电阻R两端的电压。
(2)电阻R的阻值。
(3)当S1、S3闭合时,S2断开,通电2min,电流通过电阻R做的功。组卷:46引用:4难度:0.5 -
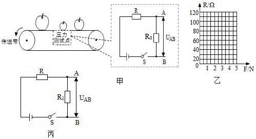
37.如图甲是苹果自动筛选装置。原理是:传送带上的苹果经过压力检测点时,使压敏电阻R的阻值发生变化,AB间的电压也随之发生改变,当质量小于一定值的苹果经过压力监测点,使R0两端电压小于5V时,机械装置启动,将质量不达标的苹果推出传送带,实现自动筛选。已知电源电压恒为15V,R0=30Ω,压敏电阻R的阻值随压力变化关系如表所示(g=10N/kg);

(1)据压敏电阻R的阻值随压力变化关系表,在图乙中作出图线;压力F(N) 0 1
23 4 5 阻值R(Ω) 120 80 60 45 40 38
(2)当检测点上没有水果时,R0两端的电压为V,电路的总功率是W;
(3)试通过计算求出,该筛选装置可将重为N以下的苹果推出传送带;
(4)要能够剔除质量小于300g的水果时,AB间的电压要设置为小于V;
(5)为了使该装置能够满足不同质量标准要求的筛选,小红对该电路进行了如图丙中的改进,将R0换成了变阻箱R1,若设定了某一质量要求,当变阻箱的阻值变大时,质量不达标的水果将(选填“增多”、“减少”、“不变”)。组卷:66引用:2难度:0.4 -
38.阅读短文,回答问题。
观光电梯电梯是一种用于多层建筑乘人或载物的运输工具。电梯的简易结构如图甲所示,电梯轿厢和配重分别挂在主电动机的两侧,在电梯半载时,轿厢总重和配重的重力基本相等。满载上升时,主电动机提供动力,驱动轿厢。
如图乙所示,为某商业大夏安装的观光电梯,其相关参数如上表。为了安全,电梯设置了超载自动报警系统,其工作原理如图丙所示,控制电路的电源电压U为12V,压力传感器的电阻R与所受压力F的关系图像如图丁所示,电磁继电器阻值可忽略。当电流大于0.12A时,会启动警报系统,同时无论如何按压电梯控制器,门电动机均不工作。此外,电梯需经常保养,“运行频次比ω”是电梯养护的重要指标,ω一般用电梯每天平均待机时间与运行时间之比来表示。额定电压/V 额定运行功率/kW 待机功率/kW 最大载重/N 轿厢质量/kg 220 25 1 4000 500
(1)由题图丁可知,压力传感器的电阻随压力F的减小而(选填“增大”或“减小”)。
(2)下列有关该电梯的说法中,正确的是。
A.主电机与钢丝绳之间的摩擦为有害摩擦
B.超载自动报警系统中电磁铁的右端为N极
C.电梯满载上行时,电动机需顺时针转动
D.报警电铃的工作原理是电磁感应
(3)图乙中,当站在下降的A电梯里的乘客看到B电梯也在下降,则可推知B电梯在(选填“上升”或“下降”)。
(4)由题意可知,电梯超载时电铃报警,则控制中路R0=Ω。若使用一段时间,电梯未满载就报警,则说明R0的阻值变(选填“大”或“小”)。
(5)该商业大厦每天营业时间为12h,设电梯均在额定功率下运行。经测算,该观光电梯平均每天耗电84kW•h,则该观光电梯的“运行频次比”ω=。组卷:128引用:1难度:0.3

