2022年辽宁省葫芦岛市、铁岭等市中考物理模拟试卷(一)
发布:2025/11/12 2:0:12
一、选择题(本题共12个小题,共28分。1~8小题为单选题,每题2分;9~12小题为多选题,每题3分,漏选得2分,错选得0分。)
-
1.如图所示,下端固定于地面的轻质弹簧竖直放置,上端位于O点时弹簧恰好不发生形变,现将一小球放在弹簧上端,再用力向下把小球压至图中位置A后由静止释放,小球将竖直向上运动并脱离弹簧(不计空气阻力),以下说法正确的是( )组卷:96引用:1难度:0.6 -
2.下列数据中,你认为最接近实际的是( )
组卷:128引用:7难度:0.7 -
3.如图所示,无风时,站在地面上的小蚂蚁骄傲地托着果实,下列说法正确的是( )组卷:629引用:14难度:0.8 -
4.用如图所示的装置探究“磁场对通电直导线的作用”。闭合开关S,静止的直导线AB水平向右运动。要使AB水平向左运动,下列措施中可行的是( )组卷:195引用:3难度:0.9 -
5.跳伞运动员在空中张开降落伞后,跳伞运动员匀速下降,这是因为跳伞运动员( )
组卷:219引用:100难度:0.7 -
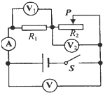
6.如图所示电路中,电源电压保持不变,闭合开关S后,将滑动变阻器R2的滑片P向右移动,在此过程中( )组卷:932引用:26难度:0.7 -
7.如图所示,将同一个鸡蛋先后放入装有不同液体的甲、乙两个容器中静止,此时液面高度相同,液体对甲、乙两个容器底的压强分别为p甲、p乙,鸡蛋受到的浮力分别是F甲、F乙,下列说法正确的是( )组卷:187引用:35难度:0.7 -
8.如图所示,在拉力F作用下,一个重600N的物体以0.1m/s的速度沿水平地面向右匀速直线运动了10s。已知滑轮组的机械效率为80%,在此过程中拉力F做了150J的功。则下列关于拉力F、物体所受滑动摩擦力f的说法中,正确的是( )组卷:35引用:1难度:0.5 -
9.关于家庭电路,下列说法中正确的是( )
组卷:120引用:5难度:0.7 -
10.对图中各现象的物理原理分析正确的是( )
组卷:127引用:3难度:0.7 -
11.小明想通过如图所示的电路图进行下列实验,你认为可行的是( )
组卷:35引用:10难度:0.5 -
12.礼花喷射器结构如图,气罐内有高压气体,气罐通过气阀与纸筒相连。使用时转动纸筒打开气阀,气体将纸筒内的礼花快速喷向远处。对该过程的分析正确的是( )组卷:461引用:7难度:0.6
二、填空题(每空1分,共26分)
-
13.2023年5月21日,2023长春马拉松(全程距离约为42km)鸣枪开跑,埃塞俄比亚选手阿苏法•博基•凯碧贝以2小时11分44秒的成绩夺得金牌。
(1)据赛会统计,阿苏法•博基•凯碧贝完成前半程所用的时间约为50min,则他前半程的平均速度为 km/h,他全程做 (选填“匀速”或“变速”)运动。
(2)参赛运动员到达终点后不能立即停下来是由于具有 ,他们所穿跑步鞋的鞋底都有很明显的花纹,这是通过 的方法来增大跑步时鞋底与地面间的摩擦力。
(3)选手们把RFID芯片系在鞋带上,通过设在起跑线和终点线的地垫时,芯片里的微型线圈便会切割地垫周围的磁感线而产生电流,使芯片工作并发射电磁波,发送到控制器和计算机进行阅读处理,整个赛程的起止时间便一目了然了。芯片线圈产生电流的原理是 ,生活中工作原理与之相同的是 。组卷:40引用:2难度:0.7 -
14.中秋时节,重庆南山公园里的桂花盛开,飘来阵阵花香,这是 现象;清晨荷叶上的两颗露珠接触后成为了更大的一颗水珠,表明分子之间存在 力。
组卷:25引用:1难度:0.8 -
15.小明家的电冰箱铭牌如下表,小明控制只有冰箱工作,观察冰箱从启动到停止工作用了6min,电能表转盘转了18圈。则该冰箱启动1次耗电
J,一天内共启动次,一天实际工作h,每消耗1度电,电能表转盘转圈。耗电量 0.72kW•h/24h 额定电压 220V 冷冻量 4kg 输入功率 120W 制冷剂 R600a 气候类型 NST 组卷:67引用:1难度:0.7 -
16.如图所示,重为50N物体静止在水平桌面上,物体受到的支持力和 是一对平衡力。当物体受到水平向右、大小为15N的拉力F时,物体刚好向右做匀速直线运动,此时物体受到的摩擦力为 N;当拉力F为18N时,物体向右做加速运动,此时物体受到的摩擦力为 N。组卷:146引用:13难度:0.8 -
17.将盛有某种液体的杯子放在水平桌面上,杯子和液体总重为8N,杯子与桌面的接触面积为4×10-3m2,则杯子对桌面的压强是 Pa;若该液体的压强与深度的关系图象如图所示,则该液体的密度是 kg/m3(g取10N/kg)。组卷:165引用:5难度:0.7 -
18.如图所示,电源电压12V,滑动变阻器标有“10Ω,1A”字样,灯L1、L2分别标有“6V 6W”和“3V 3W”字样。只闭合S1、S3时,滑动变阻器滑片P位于某位置,灯L1、L2均正常发光,则通过灯L1的电流为A,滑动变阻器消耗的电功率P1;此时只闭合S1,S2,为保证灯L1正常发光,滑片P应向移动(选填“左”或“右”),滑动变阻器消耗的电功率为P2,则P1:P2=。组卷:1624引用:54难度:0.5 -
19.2022年3月23日,“天宫课堂”第二课正式开讲,“太空教师”翟志刚、王亚平、叶光富在中国空间站为广大青少年带来了一场精彩的太空科普课。授课期间,“太空教师”与地面课堂师生的实时互动交流是通过 进行传播的。空间站太阳翼上的太阳能电池板将太阳能转化成电能为空间站供电,电能是 (选填“一次”或“二次”)能源。组卷:230引用:6难度:0.7 -
20.如图,小华同学穿着旱冰鞋用力推墙时,自己却向后运动,这一现象说明了力可以改变物体的,同时也说明了物体间力的作用是。组卷:1264引用:61难度:0.9 -
21.某灯标有“220V 60W”,则它的电阻是。接在110V的电路中它的实际功率是瓦特。(不考虑温度对灯丝电阻的影响)
组卷:130引用:2难度:0.6
三、作图题(每小题3分,共9分)
-
22.物体随传送带一起匀速向下直线运动,请画出物体的受力情况。
组卷:705引用:8难度:0.5 -
23.(1)如图所示,用细线将小球悬挂在竖直墙壁上,请画出小球所受重力及小球对墙壁压力的示意图。
(2)如图所示,将一个发光小球放置于竖直的茶色玻璃板前,会看到玻璃板中也出现一个“小球”。请画出看到“小球“的位置,作一条眼睛看到该“小球”的光路。
组卷:398引用:38难度:0.7 -
24.通电螺线管左侧有一个条形磁体,闭合开关后,能自由转动的小磁针静止在如图所示的位置。请你:
(1)在括号中标出电流表上方接线柱的正负情况(用“+”或“-”表示);
(2)标出a点磁感线方向;
(3)在括号中标出小磁针静止时右端的磁极(用“N”或“S”表示)。组卷:305引用:2难度:0.6
四、简答题(共3分)
-
25.小明同学为了探究力的作用的相互性,他取来两只鸡蛋并将它们相碰,但结果却发现只碰破其中的一只,为此,他对“相互作用的两个力大小相等”感到大惑不解,先请你谈谈对小明同学这一探究结果的认识。
组卷:32引用:3难度:0.5
五、计算题(共18分。要求写出必要的文字说明、公式、计算过程、数值、单位和答)
-
26.图甲是一款紫砂电饭锅,其简化电路如图乙所示,R1、R2是电热丝,R1的阻值为110Ω,通过单独或同时闭合S1、S2,实现低温、中温、高温三个挡位间的切换,其铭牌如下表所示,求:
(1)低温挡加热时电流的大小;
(2)电热丝R2的阻值;
(3)已知粥的比热容c粥=4.0×103J/(kg•℃),将2.2kg的粥用高温挡从20℃加热到74℃,加热效率为75%,则需要工作的时间。加热效率 75% 额定电压 220V
电功率低温挡 440W 中温挡 880W 高温挡 组卷:331引用:9难度:0.4 -
27.如图所示,铁桶重为20N,桶的底面积为100cm2,往桶里倒入8kg的水,水的深度为15cm,平放在面积为1m2的水平台面上(g取10N/kg)。求:
(1)台面受到桶的压强;
(2)水对桶底的压强;
(3)桶底受到水的压力。组卷:1247引用:9难度:0.3
六、实验探究题(共36分)
-
28.在“探究滑动摩擦力的大小与哪些因素有关”的实验中,小华的实验情况如图中甲、乙、丙、丁所示。

(1)实验中小华应该用弹簧测力计水平 拉动木块,这样做的目的是根据 的知识得出拉力大小等于摩擦力大小,从而测出木块受到的滑动摩擦力大小。
(2)比较 实验数据可知,滑动摩擦力的大小与压力大小有关。这里主要用到的实验方法是 法。
(3)小华要探究滑动摩擦力与接触面积的大小是否有关系,他将木块切去一半,重复甲的操作过程,如图丁所示。他比较甲和丁的实验结果,得出结论:滑动摩擦力的大小与接触面积的大小有关。你认为他的结论可靠吗?答:。小华在实验中存在的问题是 。
(4)某次实验中,小华在木板上以0.05m/s的速度水平匀速拉动木块时,弹簧测力计示数如戊图所示,则此时木块受到的摩擦力 N。组卷:30引用:1难度:0.5 -
29.用压强计探究“影响液体内部压强大小的因素”:
(1)压强计是通过U形管中两侧液面的 来反映被测液体压强大小的;使用前应检查装置是否漏气,方法是用手轻轻按压几下橡皮膜,若U形管中的液体能灵活升降,则说明装置 (选填“漏气”或“不漏气”)。
(2)探头在空气中时,U形管两侧的液面应当相平,而小明却观察到如图甲所示的情景,调节的方法是 (填选项字母)。
A.将此时右边支管中高出的液体倒出
B.取下软管重新安装
(3)压强计调节正常后,小明将探头先后浸入到两杯液体中(已知一杯为水,一杯为盐水),如图乙、丙所示,他发现图丙中U形管两侧的液面高度差较大,于是认为图丙杯子中盛的是盐水;你认为,小明的结论是 (选填“可靠的”或“不可靠的”);理由是 。
(4)如表是小莉同学用图示装置分别测得水和盐水在不同深度时,压强计(U形管中是水)中两侧液面高度的情况。
小莉同学在学了液体压强公式后,用公式对以上实验的数据进行分析计算,得出金属盒在30mm深处水的压强是 Pa,而从压强计测出的压强为 Pa,由此她发现按液面高度差计算的压强值小于按液体深度计算的压强值,你认为造成这种现象的原因是什么?答:。(ρ水=1×103kg/m3,g取10N/kg)实验 液体 深度h/mm 压强计 左液面/mm 右液面/mm 液面高度差/mm 1 水 30 186 214 28 2 60 171 229 58 3 90 158 242 84 4 盐水 90 154 246 92 组卷:4引用:0难度:0.7 -
30.如图所示是“探究阻力对物体运动的影响”的实验装置。
(1)实验时要固定斜面,并使同一小车从斜面上 高度由静止滑下,目的是使小车在水平面上运动的 相同;
(2)实验时,将不同材料铺在水平木板上,可以改变小车在前进过程中所受 ;
(3)根据实验现象:水平面越光滑,小车受到的阻力越小,小车在水平面上运动的距离 ;
(4)由实验现象我们可以得出结论:运动的物体受到的阻力越小,速度减小的 ,进而推断:在理想情况下,如果水平表面绝对光滑,小车受到的阻力为零,它将做 运动。组卷:2引用:1难度:0.5 -
31.如图所示,小明同学利用砝码、小桌、海绵、木板等实验器材,做探究“压力的作用效果与哪些因素有关”的实验。

(1)在图甲、乙和丙的实验过程中,是通过 来表现压力的作用效果。
(2)甲、乙两图所示的实验是为了说明:.
(3)小明将小桌和砝码放到一块木板上,如图丁所示,比较丙、丁两种情况,图丙中海绵受到的压强 (选填“大于”“小于”或“等于”)图丁中木板受到的压强。由图可知,此实验 (选填“能”或“不能”)用木板代替海绵,原因是 .
(4)此实验中用到的实验方法有 和 .组卷:29引用:1难度:0.5 -
32.做“测量小灯泡电功率”实验。实验室有如下器材:电源(电压恒为7V)、小灯泡(额定电压为2.5V,灯丝电阻为10Ω左右)、电流表、电压表、开关各一个、规格分别为R1“10Ω 1A”和R2“30Ω 0.5A”的滑动变阻器各一个、导线若干。

(1)图甲是设计实验的电路图,为了完成实验,滑动变阻器应选用的规格为 (选填“R1”或“R2”)。
(2)按电路图连接好电路后,闭合开关,发现小灯泡不亮,此时小华 (选填“能”或“不能”)确定电路一定存在故障。
(3)闭合开关,移动滑动变阻器的滑片P,观察电压表示数,使小灯泡正常发光,此时,电流表示数如图乙,则灯的额定功率是 W。
(4)若利用图甲所示的电路中的实验器材,是不能完成“探究电流与电压的关系”的实验研究,原因是小灯泡的灯丝电阻 。
(5)在不使用电流表的情况下,按图丙所示的电路,测额定电压为3V的小灯泡的额定功率,使用的滑动变阻器标有“35Ω 1A”。已知一个定值电阻R0=35Ω,电源电压高于小灯泡的额定电压但数值未知。
实验步骤如下:
①按图丙连接电路,移动滑动变阻器的滑片P使小灯泡两端电压为 V。
②断开开关,保持滑动变阻器的滑片位置不变,用已知电阻R0=35Ω的定值电阻替换小灯泡,读出电压表示数为3.5V。
③将滑动变阻器的滑片移到最右端,电压表示数为2.25V,电源电压为 V。
④小灯泡的额定功率为 W。组卷:620引用:3难度:0.4

