2022-2023学年广东省深圳市龙岗区德琳学校九年级(上)月考物理试卷(10月份)
发布:2025/11/9 13:0:13
一、单选题(每题2分,共计10分)
-
1.如图是壁挂式拿起即亮手电筒的结构示意图,手电筒插入基座不亮,拨离即亮,塑料片起到了开关的作用。该手电筒的工作电路图是( )组卷:553引用:30难度:0.8 -
2.下列现象中,主要通过做功改变物体内能的是( )
组卷:51引用:3难度:0.8 -
3.俗话说”酒香不怕巷子深“,其中“酒香”说明分子( )
组卷:811引用:56难度:0.9 -
4.汽车已经成为现代生活中不可缺少的一部分,现代汽车多数采用汽油机作为发动机。如图所示,是四冲程机的工作循环示意图,下列说法中正确的是( )
组卷:75引用:3难度:0.9 -
5.下列说法中正确的是( )
组卷:108引用:3难度:0.9
二、双选题(每题3分,只选一个选项且正确得1分,选两个并且正确得3分,共计15分)
-
6.嫦娥五号带回的月壤已经成功分发给十三家科研机构:月壤中含有大量的氮三,可用于核聚变研究。下列说法正确的是( )
组卷:24引用:1难度:0.8 -
7.下列说法正确的是( )
组卷:156引用:5难度:0.8 -
8.对如图所示电路的分析,下列说法正确的是( )组卷:595引用:5难度:0.5 -
9.如图所示,取两个相同的不带电的验电器A和B,用丝绸摩擦过的玻璃棒与验电器A的金属球接触后,再用带有绝缘手柄的金属棒把A和B连接起来。下列说法正确的是( )组卷:43引用:1难度:0.6 -
10.下列说法正确的是( )
组卷:134引用:2难度:0.5
三、填空题(每空1分,共计13分)
-
11.为了应对新型冠状病毒肺炎,防疫人员将消毒液喷洒在室外的楼道、走廊里,不一会儿室内也闻到了消毒水的气味,这种现象表明,不久后,喷洒过的潮湿地面会逐渐变干,这是(填物态变化名称)现象。
组卷:164引用:10难度:0.6 -
12.A、B、C、D四个带电的小球,B球吸引A球,B球排斥C球,C球吸引D球,若C球带正电,则当A球和D球靠近时,将相互;
组卷:29引用:1难度:0.7 -
13.在我国实施的“西气东输”工程中,西部地区的天然气被输送到能源缺乏的东部地区。天然气与煤相比,从热学角度分析,它的优点是;从环保角度分析,它的优点是。
组卷:237引用:78难度:0.9 -
14.如图所示,小孩在滑梯上由静止开始下滑,速度越来越快。则该过程中小孩的动能,机械能。(两空均选填“变大”、“变小”或“不变”)组卷:304引用:38难度:0.7 -
15.电视机的荧光屏上经常粘有灰尘,这是因为电视机工作时,屏幕上带有 ,而具有了 的性质。如图所示,将一束扯成线状的塑料捆扎绳,用清洁干燥的手自上而下地捋,塑料绳就会 (散开/靠拢),这是因为 。组卷:204引用:7难度:0.9 -
16.北方寒冷的冬天,在窗户玻璃上有时会出现冰花,这是因为:屋内空气中的水蒸气温度比窗户玻璃温度 (选填“高”或“低”),水蒸气发生 现象(填物态变化的名称),于是在玻璃的 (选填“内”或“外”)表面出现冰花。
组卷:48引用:1难度:0.6
四、作图题(每题2分,共计4分)
-
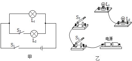
17.用笔画线表示导线,按照图甲所示的电路图,将图乙中各元件连接起来。(导线不允许交叉)
组卷:423引用:5难度:0.6 -
18.根据实物图画出电路图。
组卷:275引用:1难度:0.5
五、实验探究题(每空1分,共计8分)
-
19.小明同学学习了燃料的热值后,考虑到燃料燃烧放出的热量会被水吸收,而水的比热容已知。(注:燃料完全燃烧放热用Q放=mq计算,某燃料的热值用q表示;其质量用m表示)。自己设计一个实验来探究煤油和菜籽油的热值的大小关系。他组装了如图所示的装置进行实验,记录结果如表:
(1)为了保证实验结论的可靠,小明同学选择了两套相同装置,在实验中还应控制:煤油和菜籽油的 相同; 相同。燃料 加热前的水温/℃ 燃料燃尽后水温/℃ 煤油 25 44 菜籽油 25 34
(2)分析得出:煤油和菜籽油两种燃料中,热值较大的是 。
(3)小明同学还想利用这种实验方案计算出煤油和菜籽油的热值,那么小明还需要补充的测量工具是:。利用此实验方法计算出的热值将比真实值 (偏大/偏小)。造成这种偏差的原因可能是 。
(4)若将图乙中酒精灯中的菜籽油更换成煤油,并将调整火焰大小跟图甲相同;同时将图乙烧杯中的水更换成等 的菜籽油,再增加实验仪器 ,就可以做“比较水和菜籽油的吸热能力”的实验。组卷:207引用:2难度:0.6
六、计算题(每题7分,共计14分)
-
20.天然气灶使用方便、经济环保,备受人们青睐。小明用天然气灶将一壶质量为3kg、温度为20℃的水加热至90℃,用时约10min.已知:天然气的热值为3.5×107J/m3,水的比热容为4.2×103J/(kg•℃).求:
(1)这过程中水吸收多少热量;
(2)若这过程天然气完全燃烧放出的热量60%被水吸收,则需要多少m3的天然气。组卷:1653引用:17难度:0.3 -
21.水上摩托运动是集高科技、观赏、竞争和惊险刺激于一体,富有现代文明特征的高速水上运动。摩托艇的发动机为四冲程汽油机,一个质量为60kg的人正在水面上骑着摩托艇飞驰。[g取10N/kg,ρ汽油=0.8×103kg/m3,汽油的热值q汽油=4.6×107J/kg,c水=4.2×103J/(kg•℃)]
(1)为摩托艇提供动力的是发动机的 冲程,该冲程将 能转化为 能。摩托艇的质量m/kg 340 最大功率P/kW 60 油箱容积V/L 10 最高时速v/(km•h-1) 120
(2)若一满箱汽油完全燃烧放出的热量的70%被水吸收,可使多少kg的水温度升高50℃?
(3)加满一箱汽油能使摩托艇以20m/s速度匀速航行1.2h,若摩托艇以20m/s速度匀速航行时,发动机的牵引力为总重的,则摩托艇发动机的热机效率是多少?(不考虑汽油的质量)14组卷:50引用:1难度:0.5
七、科普阅读题(每空1分,共计6分)
-
22.请阅读《物理实验中的图象法》回答问题。
物理实验中的图象法物理实验中的图象法是一种整理、分析数据的有效方法,图象中的图线可直观、简洁地显示出因变量随着自变量变换的趋势或规律。如果想要将物理实验数据绘制成图象,可以按照下面的步骤来进行。
第一步,建立坐标轴、标注物理量和设定分度。首先建立坐标轴,通常用横轴代表自变量,纵轴代表因变量,在坐标轴上分别标注自变量和因变量的名称及单位;然后,设定坐标分度值。为了使绘制的图线比较均匀地分布在整幅坐标纸上,而不要偏在一角或一边,坐标分度值可以不从零开始。在一组数据中,自变量与因变量均有最低值和最高值,分度时,可用低于最低值的某一整数值作起点,高于最高值的某一整数值作终点。
第二步,根据数据描点。描点时根据数据在坐标纸上力求精准地画出对应的点。
第三步,绘制图线。绘制图线时不要把数据点逐点连接成折线,而应依据数据点的整体分布趋势,描绘出一条直线或光滑曲线,让尽可能多的点在图线上,或让数据点比较均匀地分布在图线两旁,这样绘制出的图线比图上的任何一个数据点更适合作为进行分析预测的依据。
倒如,小宇记录了自己沿直线步行过程中的时间及所对应的路程,图1中的黑点是他根据记录的数据在坐标纸上描出的数据点,利用这些数据点绘制出了图1中的直线。利用这条直线可以清楚地看出小宇步行的过程近似为匀速运动,还可以利用图线上的点计算出小宇步行过程中的速度,进而用速度预测出他在某一段时间内步行的路程。
请根据上述材料,回答下列问题:
(1)根据图1所示的图象,预测小宇步行10s的路程为 m。
(2)下表是某同学记录的物体温度随时间变化的实验数据。
①若要绘制上述物体的温度随时间变化的图象,应选择图2中 图更合理。(选填“甲”或“乙”)时间/min 0 5 10 15 20 25 30 35 40 温度/℃ 80 72 64 59 55 51 47 46 45
②请在你选择的图中描出第20min时的温度数据点,并绘制出本次实验中物体温度随时间变化的图线。
组卷:188引用:18难度:0.5

