沪粤版九年你级上册《第13章 探究简单电路》2021年单元测试卷
发布:2025/11/3 4:0:15
一、选择题
-
1.如图所示,下列电路图中能用电流表正确测量通过灯L1的电流的是( )
组卷:314引用:1难度:0.5 -
2.下列说法正确的是( )
组卷:78引用:7难度:0.8 -
3.甲、乙、丙三个轻质小球,已知甲带负电。甲和乙互相吸引,丙和甲互相排斥,则( )
组卷:656引用:39难度:0.9 -
4.小华有一发光棒,闭合开关,众小灯齐发光;一段时间后,其中一小灯熄灭,其余小灯仍然发光,如图所示。关于该小灯灭的原因以及众小灯的电路连接方式,下列猜想中合理的是( )组卷:876引用:5难度:0.5 -
5.下列数据较为准确的是( )
组卷:149引用:1难度:0.7 -
6.如图所示,这是人们喜爱的电动自行车,它具有轻便、节能、环保等特点。下列说法正确的是( )组卷:9引用:1难度:0.8 -
7.某电流表有两个量程,大量程为0-9A,小量程模糊不清,为了确定小量程是多少。先将大量程接入电路,指针位置如图甲所示,然后改用小量程接入同一电路,指针位置如图乙所示,则该电流表的小量程是( )
组卷:1302引用:5难度:0.7 -
8.如图甲所示的电路中,R1是定值电阻,电流表量程为0~0.6A,图乙是电阻箱R2的电功率与其电阻大小变化关系的部分图像,则下列说法正确的是( )
组卷:866引用:9难度:0.5 -
9.花粉往往带负电,而蜜蜂在飞行中与空气摩擦也会带电。如图所示,当蜜蜂靠近花朵时,花粉会受到蜜蜂的静电吸引力,能更好地附着在蜜蜂身上。关于飞行中的蜜蜂,以下说法正确的是( )组卷:278引用:11难度:0.7 -
10.如图电路中,各元件都完好,但闭合S1、S2后,只有L2发光,故障可能是( )组卷:258引用:4难度:0.5
二、填空题
-
11.扬州城的路灯同时亮,同时灭,它们之间的连接方式是联;家里电冰箱里的电灯和制冷压缩机之间是联;教室里的日光灯正常工作时的电流约为180(安/毫安/微安)。
组卷:27引用:3难度:0.7 -
12.当某定值电阻两端电压减少了5V时,电阻中的电流由0.3A变0.1A,则此定值电阻的阻值为Ω。
组卷:62引用:2难度:0.6 -
13.如图甲所示的电路,当闭合开关后两只电压表的指针偏转均如图乙所示,则R1两端的电压是 V,R1与R2的电流之比为 。
组卷:225引用:5难度:0.6 -
14.飞机翅膀做成下平上凸形状,飞行时飞机翅膀上部空气流速快、压强 (选填“大”或“小”),使飞机获得升力;飞机轮胎表面有凹凸不平的花纹,有利于着陆减速时 (选填“增大”或“减小”)摩擦;飞机在高空飞行过程中与空气 (选填“摩擦”或“接触”)起电使飞机带上电荷。
组卷:14引用:1难度:0.8 -
15.当电路发生短路时,电路中的很大,这是因为。
组卷:18引用:1难度:0.6 -
16.如图甲所示,表明了发光二极管具有 导电性。如图乙所示,电灯中的电流方向是 ,形成电流的电荷定向移动的方向是 。(后两空选填“A到B”或“B到A”)
组卷:43引用:3难度:0.6 -
17.如图所示,开关闭合后灯泡不亮,不一会儿电池就热了,这个电路的故障是,这种故障是相当于直接用导线把连接起来了。组卷:109引用:4难度:0.8 -
18.如图所示的电路,当开关S闭合后,电流表测量的是通过 (选填“电源”、“L1”或“L2”)的电流,电流表的指针偏转如图所示,电流表的示数为 A。
组卷:2804引用:56难度:0.7 -
19.右图所示电路中,分别接入电流表或电压表。如果两灯并联,甲应接 ,乙应接 ,丙应接 ;如果一个灯丝断了,丙表的示数 (变大,变小,不变)。组卷:375引用:3难度:0.5 -
20.如图是一段细铁丝和饮料吸管做成一个实验装置,吸管能在水平面内自由转动。用餐巾纸摩擦吸管使其带电。把丝绸摩擦过的玻璃棒放在吸管一端的附近,观察到吸管自动“躲开”,这说明:吸管带 (选填“正”或“负”)电荷,用餐巾纸摩擦时,吸管 (选填“失去”或“得到”)电子。组卷:81引用:3难度:0.8
三、解答题
-
21.如图甲所示为一实物电路,请在图乙方框内画出对应的电路图。
组卷:33引用:5难度:0.5 -
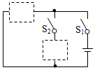
22.如图是一个简化的玩具警车的电路图,若闭合两个开关,车走灯亮;若只闭合一个开关,可实现车走灯不亮,请将代表车走的电动机符号
和车灯的符号
填入虚线框中。组卷:534引用:10难度:0.6 -
23.物理活动课上,同学们做了一个有趣的静电实验,如图所示,将静电感应起电机的集电杆和验电羽用导线连接,摇动静电感应起电机的手柄,观察到验电羽张开。请回答下列问题:
(1)验电羽张开的原因是 。
(2)快速摇动起电机的手柄时,验电羽张开的角度变大。据此现象,请提出一个可探究的科学问题:。组卷:336引用:9难度:0.7 -
24.“探究串联电路的电压关系”的实验电路如图所示。

(1)为了使探究得出的结论具有普遍意义,L1、L2应该选择(选填“相同”或“不相同”)的小灯泡。
(2)小明根据图甲连接好电路,闭合开关,电压表示数如图乙所示。为了使实验结果更准确,接下来他应该。
(3)测出L1两端的电压后,小明断开开关,准备拆下电压表,改装在B、C之间。小聪认为小明的操作太麻烦,只需将与A点相连的导线改接到C点即可。小聪的办法(选“合理”或“不合理”),请说明理由。
(4)测量完成后,进行小组交流讨论,如表选录了四个小组的数据,你认为这些数据(选“合理”或“不合理”),请说明理由:实验小组 L1两端电压/V L2两端电压/V 串联总电压/V 1 1.4 3.1 4.5 2 3.0 1.3 4.4 3 1.1 1.7 2.8 4 1.8 1.2 3.0 组卷:414引用:6难度:0.3 -
25.如图甲电路,当开关S闭合后,电流表的指针偏转如图乙所示:

(1)试判断电流表a、b各用哪个量程?
(2)读出电流表a、b的示数各是多少?
(3)通过灯L1、L2的电流分别是多少?组卷:548引用:6难度:0.5 -
26.如图甲所示,当开关闭合时,两灯均发光,电流表A与A1的指针位置均为图乙所示的刻度,那么:
(1)电流表A、A1读数是多少?
(2)通过灯L2的电流是多少?组卷:233引用:4难度:0.1

