2023年湖北省高考物理模拟试卷(5月份)
发布:2025/11/1 6:0:31
一、选择题:本题共11小题,每小题4分,共44分。在每小题给出的四个选项中,第1~7题只有一项符合题目要求,第8~11题有多项符合题目要求。全部选对的得4分,选对但不全的得2分,有选错的得0分。
-
1.2021年9月,在甘肃省武威市全球首台钍基熔盐核反应堆进行试运行放电,也标志着我国成为世界上第一个对第四代核电技术进行商业化试验运营的国家。反应堆工作原理如图所示,钍232(Th)吸收一个中子后会变成镤233,镤233不稳定,会变成易裂变核素铀233(23290U)。下列说法正确的是( )23392组卷:96引用:3难度:0.8 -
2.2020年12月17日,嫦娥五号轨道器与返回器在距离地球5000公里处实施分离,返回器携带月壤样品返回地球,轨道器启程飞往距离地球约150万公里的日地拉格朗日L1点(如图),在这个位置的轨道器会在太阳与地球引力的作用下,与地球同步绕太阳做匀速圆周运动。下列说法正确的是( )
组卷:132引用:2难度:0.4 -
3.汽车以20m/s的速度做匀速直线运动,刹车后的加速度大小为5m/s2,那么开始刹车后2s与开始刹车后6s汽车通过的位移大小之比为( )
组卷:318引用:95难度:0.9 -
4.如图,方向竖直向下的匀强磁场中有两根位于同一水平面内的足够长的平行金属导轨,两相同的光滑导体棒ab、cd静止在导轨上。t=0时,棒ab以初速度v0向右运动且不会与cd相碰。运动过程中,ab、cd始终与导轨垂直并接触良好,两者速度分别为vab、vcd,通过ab横截面的电量为q,回路中的电流为I,cd棒产生的焦耳热为Q。下列图象中正确的是( )组卷:269引用:2难度:0.9 -
5.下列说法正确的是( )
组卷:98引用:1难度:0.7 -
6.均匀直角金属杆aOb可绕水平光滑轴O在竖直平面内转动,Oa<Ob.现加一水平方向的匀强磁场B并通以电流I,若撤去外力后恰能使直角金属杆Ob部分保持水平,如图所示.则( )组卷:21引用:1难度:0.9 -
7.如图所示,在粗糙的水平面上有一个质量为m=3kg的小滑块,小滑块与水平面间的动摩擦因数,有一水平轻质弹簧左端固定在墙上,右端与小滑块相连,小滑块右侧用不可伸长的轻绳连接在天花板上,轻绳与竖直方向成θ=53°角,此时小滑块处于静止平衡状态,且水平面对小滑块的弹力恰好为零。当剪断轻绳的瞬间,取g=10m/s2,以下说法正确的是( )μ=815组卷:157引用:3难度:0.8 -
8.如图所示,两块水平放置的平行正对的金属板a、b分别与电池两极相连,开始时开关S闭合,发现在距两板距离相等的P点有一个带电液滴处于静止状态,然后断开开关,并将b板向下平移一小段距离,稳定后,下列说法中正确的是( )组卷:393引用:17难度:0.6 -
9.如图所示,箱子受到水平推力F的作用在粗糙水平面上做直线运动,监测到推力F、箱子速度v随时间t变化的规律如图所示,取g=10m/s2,则( )
组卷:97引用:3难度:0.5 -
10.如图所示,理想变压器的ab端所接的交变电压u=16
sin100πt(V),L1、L2是规格为“4V、3W”的灯泡,现调节电阻箱R为某一值时恰好能使两个灯泡均正常发光(灯泡电阻可视为恒定),电压表V1、V2均为理想交流电压表(电阻箱R调节过程中所有元件均可安全工作),则( )2
组卷:59引用:1难度:0.6 -
11.一定质量的理想气体,从状态a开始经历如图所示的状态变化过程回到原状态,则下列说法中正确的是( )组卷:61引用:2难度:0.7
二、非选择题:本题共5小题。共56分。
-
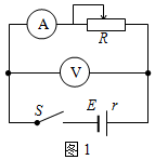
12.用图1所示的电路。测定一节旧干电池的电动势和内阻。除电池、开关和导线外,可供使用的实验器材还有:
双量程电流表:Ⓐ(量程0~0.6A,0~3A);
双量程电压表:Ⓥ(量程0~3V,0~15V);
滑动变阻器:R1(阻值范围0~20Ω,额定电流2A);
滑动变阻器:R2(阻值范围0~1000Ω,额定电流1A)
①为了调节方便,测量精度更高,实验中应选用电流表的量程为 A,电压表的量程为 V,应选用滑动变阻器 (填写滑动变阻器符号)。
②根据图1正确连接图2中的实物电路,注意闭合开关时滑动变阻器的滑片P应处于正确的位置并选择正确的电表量程进行连接
③通过多次测量并记录对应的电流表示数I和电压表示数U,利用这些数据在图3中画出了U-I图线。由图象可以得出,此干电池的电动势E=V,内阻r=Ω。
④引起该实验的系统误差的主要原因是 。
A.由于电压表的分流作用造成电流表读数总是比电源实际输出的电流小
B.由于电压表的分流作用造成电流表读数总是比电源实际输出的电流大
C.由于电流表的分压作用造成电压表读数总是比路端电压小
D.由于电流表的分压作用造成电压表读数总是比路端电压大
⑤根据实验测得的I、U数据。若令y=IU,x=I,则由计算机拟合得出的y-x图线应是图4中的 (选填“a”、“b”或“c”)。其余两条图线分别是令y=IE和y=I2r得出的。根据前面测量得到的电源电动势和内阻的值,推测图4中A点的x、y坐标分别为一 A、W(保留2位有效数字)。
组卷:111引用:4难度:0.5 -
13.物理实验
实验及科学的实验方法在物理学发展的历程中发挥了不可替代的作用。
(1)在“用单摆测量重力加速度的大小”的实验中,
①为了减小实验误差,某同学有下列设想,判断是否合理。
实验中,摆的振幅由于空气阻力会逐渐变小,为了便于观察,摆的初始振幅越大越好:;计时的起点和终点位置均选在摆球达到的最高点处 。(选填“合理”或“不合理”)
②某同学改变摆长,多次测量,得到周期的二次方与摆长的关系图象如图1所示,分析该图像,这位同学在实验中可能出现的错误是 (写出一条)。是否能够根据该图像推测当地重力加速度?。(选填“能”或“不能”)
(2)在“探究等温情况下一定质量气体压强与体积的关系”的实验中,用DIS研究一定质量气体在温度不变时,压强与体积关系的实验装置如图2所示,用一个带有刻度的注射器及DIS实验系统来探究气体的压强与体积关系。实验中气体的质量保持不变,气体的体积直接读出,气体的压强是由图中压强传感器等计算机辅助系统得到,请回答下列有关问题。
①甲同学在做本实验时,按实验要求组装好实验装置,然后缓慢推动活塞,使注射器内空气柱从初始体积20.0mL减为12.0mL。实验共测出五组数据,每次体积值直接从注射器的刻度读出并输入计算机,同时由压强传感器测得对应体积的压强值。实验完成后,计算机屏幕上显示出如表所示的实验结果:
仔细观察不难发现,pV(×105Pa•mL)一栏中的数值越来越小,造成这一现象的原因可能是 。序号 V(mL) p(×105Pa) pV(×105Pa•mL) 1 20.0 1.0010 20.020 2 18.0 1.0952 19.714 3 16.0 1.2313 19.701 4 14.0 1.4030 19.642 5 12.0 1.6351 19.621
A.实验时注射器活塞与筒壁间的摩擦力不断增大。
B.实验时环境温度增大了。
C.实验时外界大气压强发生了变化。
D.实验时注射器的空气向外发生了泄漏。
②根据你在第(1)题中的选择,为了减小误差,应当采取的措施是:。
(3)乙同学实验操作规范正确,根据实验数据画出如图3所示的V-图线不过坐标原点,则截距中的b代表的是 。1p组卷:41引用:2难度:0.4 -
14.如图所示的三维空间中,yOz平面左侧区域记为Ⅰ,区域Ⅰ内存在沿y轴负方向的匀强电场;yOz平面与垂直于x轴足够大的荧光屏之间的区域记为Ⅱ,区域Ⅱ内存在沿x轴正方向的匀强磁场,磁感应强度大小为B,荧光屏与x轴交点位置的坐标不确定。一质量为m、电荷量为+q的粒子从坐标(-L,0,0)处进入区域Ⅰ,粒子初速度大小为v0,方向沿着x轴正方向,经过yOz平面时的坐标为(0,-L,0),再经过磁场偏转后击中荧光屏。不计粒子的重力。
(1)求粒子经过yOz平面时沿y轴的速度大小v;
(2)若荧光屏与x轴交点的x坐标为,求粒子在磁场中的运动时间t;3πmv0qB
(3)若粒子击中荧光屏时z轴坐标为,求荧光屏与x轴交点的x坐标。mv0qB组卷:96引用:4难度:0.5 -
15.[选做题]本题包括A、B、C三小题,请选定其中两题,并在相应的答题区域内作答.若三题都做,则按A、B两题评分.
A.(选修模块3-3)
(1)由以下数据能估算出水分子直径的是
A.水的质量、水的体积和阿伏加德罗常数
B.水的质量、水的密度和阿伏加德罗常数
C.水的摩尔质量和阿伏加德罗常数
D.水的摩尔体积和阿伏加德罗常数
(2)如图乙所示,用一根与绝热活塞相连的细线将绝热气缸悬挂在某一高度静止不动,气缸开口向上,内封闭一定质量的气体(分子间的相互作用力忽略不计),缸内活塞可以无摩擦移动且不漏气,现将细线剪断,让气缸自由下落,下列说法正确的是
A.气体压强减小,气体对外界做功
B.气体压强增大,外界对气体做功
C.气体体积增大,气体内能减小
D.气体体积减小,气体内能增大
(3)如图甲所示,一圆柱形绝热气缸竖直放置,通过绝热活塞封闭着一定质量的理想气体.活塞的质量为m,横截面积为S,此时活塞处于平衡状态,气体的温度为T1.现通过电热丝缓慢加热气体,在气体吸收热量为Q的过程中,气体对活塞做功的大小为W.已知大气压强为p0,重力加速度为g,不计活塞与气缸的摩擦.求:
①气体的压强;
②加热过程中气体的内能增加量;
B.(选修模块3-4)
(1)下列说法中正确的是 .
A.激光比普通光源的相干性好
B.紫外线在水中的传播速度大于红外线在水中的传播速度
C.在光的衍射实验中,出现明条纹的地方光子到达的概率较大
D.接收电磁波时首先要进行调频
(2)一列沿x轴正方向传播的简谐横波,t=0时刻的波形如图中实线所示,t=0.2s时刻的波形如图丙中虚线所示,则:
A.质点P的运动方向向右
B.波的周期可能为0.27s
C.波的传播速度可能为630m/s
D.波的频率可能为1.25Hz
(3)如图丁所示,ABC为玻璃三棱镜的横截面,∠A=30°,∠B=60°,BC=3cm,一条平行于AC边的光线从O点垂直射向棱镜,OC=2cm,已知棱镜对光的折射率为n=1.5,试求光线在棱镜内传播的最短时间是多少?
C.(选修模块3-5)
(1)正电子(PET)发射计算机断层显像的基本原理是:将放射性同位素注入人体,参与人体的代谢过程.158O在人体内衰变放出正电子,与人体内负电子相遇而湮灭转化为一对光子,被探测器探测到,经计算机处理后产生清晰的图象.根据PET原理,回答下列问题:158O
①写出的衰变的方程式 .158O
②将放射性同位素注入人体,158O的主要用途158O
A.利用它的射线 B.作为示踪原子
C.参与人体的代谢过程 D.有氧呼吸
③PET中所选的放射性同位素的半衰期应 .(填“长”或“短”或“长短均可”)
(2)一辆小车在光滑水平面上以v1=1m/s的速度向右运动,小车的质量为M=100kg,一质量为m=50kg的人从小车的右端迎面跳上小车,接触小车前的瞬间人的水平速度大小为v2=5.6m/s.求人跳上小车后,人和小车的共同速度和人跳上小车的过程中人对小车做的功.组卷:23引用:1难度:0.5 -
16.如图所示,均匀透明介质制成的半圆筒,O为圆心、AB为直径,OO′垂直于AB,外圆半径为a、内圆半径为a,一束与OO′平行的光射向圆筒。进入透明介质折射角为30°的入射光线恰好不能射入圆筒内部。求:2
(1)均匀介质的折射率
(2)若在光线入射方向垂直放置一块不透光的遮光板,使圆
筒内部没有任何光线,遮光板的最小宽度?组卷:129引用:4难度:0.5

